EasyManua.ls Logo

Sullair LS-200 - Sump and Parts

Sullair LS-200
166 pages
To Next Page IconTo Next Page
To Next Page IconTo Next Page
To Previous Page IconTo Previous Page
To Previous Page IconTo Previous Page
Loading...
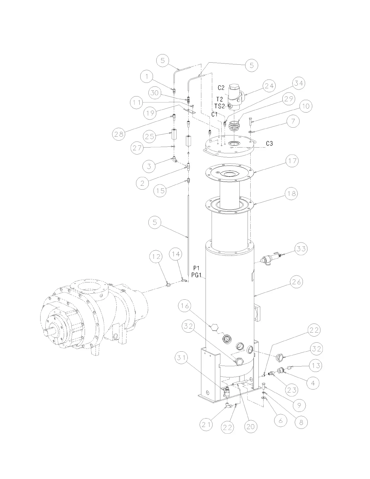
Section 11
ILLUSTRATIONS AND PARTS LIST
98
02250147-278R01
11.12 SUMP AND PARTS

Table of Contents

Related product manuals