EasyManua.ls Logo

Sullair LS-200 - Moisture Drain Assembly- Air-Cooled

Sullair LS-200
166 pages
To Next Page IconTo Next Page
To Next Page IconTo Next Page
To Previous Page IconTo Previous Page
To Previous Page IconTo Previous Page
Loading...
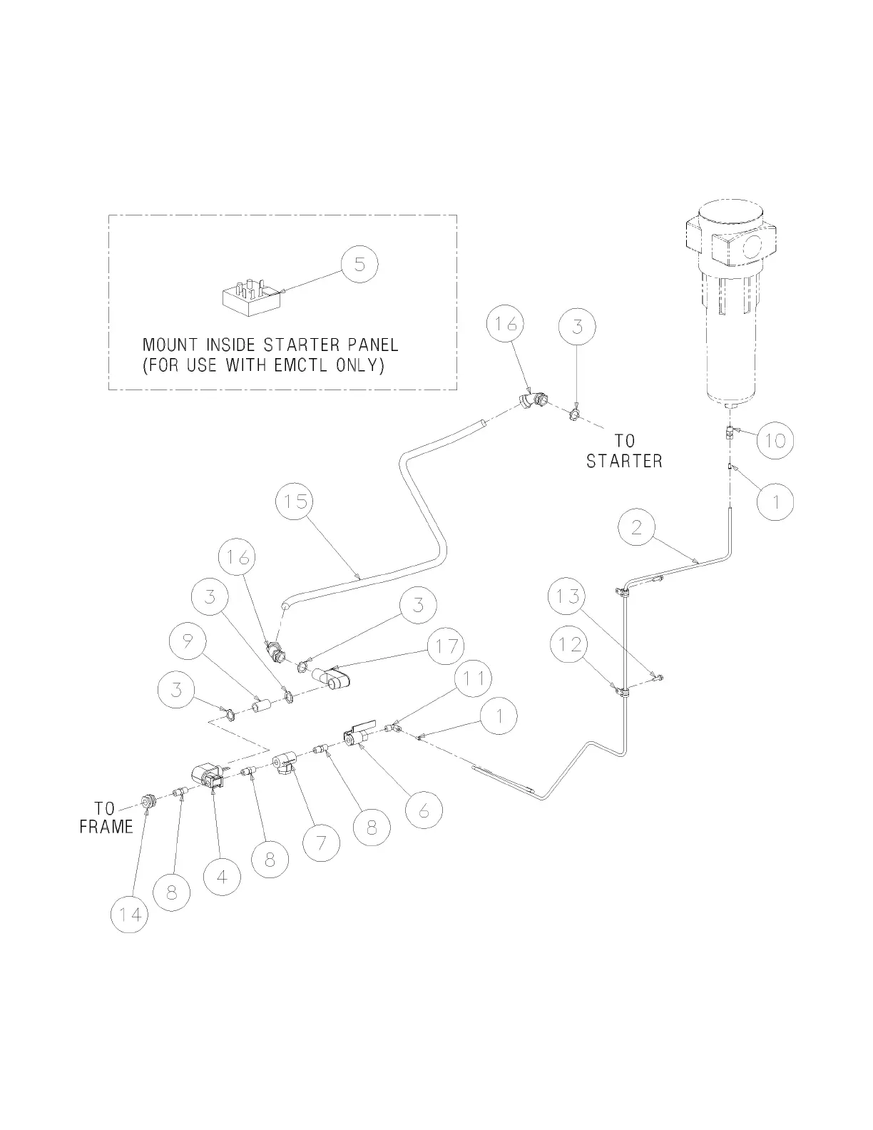
Section 11
ILLUSTRATIONS AND PARTS LIST
102
11.13 MOISTURE DRAIN ASSEMBLY- AIR-COOLED
02250146-911R00

Table of Contents

Related product manuals