EasyManua.ls Logo

Sullair RC Series - Page 92

Sullair RC Series
166 pages
Print Icon
To Next Page IconTo Next Page
To Next Page IconTo Next Page
To Previous Page IconTo Previous Page
To Previous Page IconTo Previous Page
Loading...
PRINCIPLE OF OPERATION SECTION 5
92
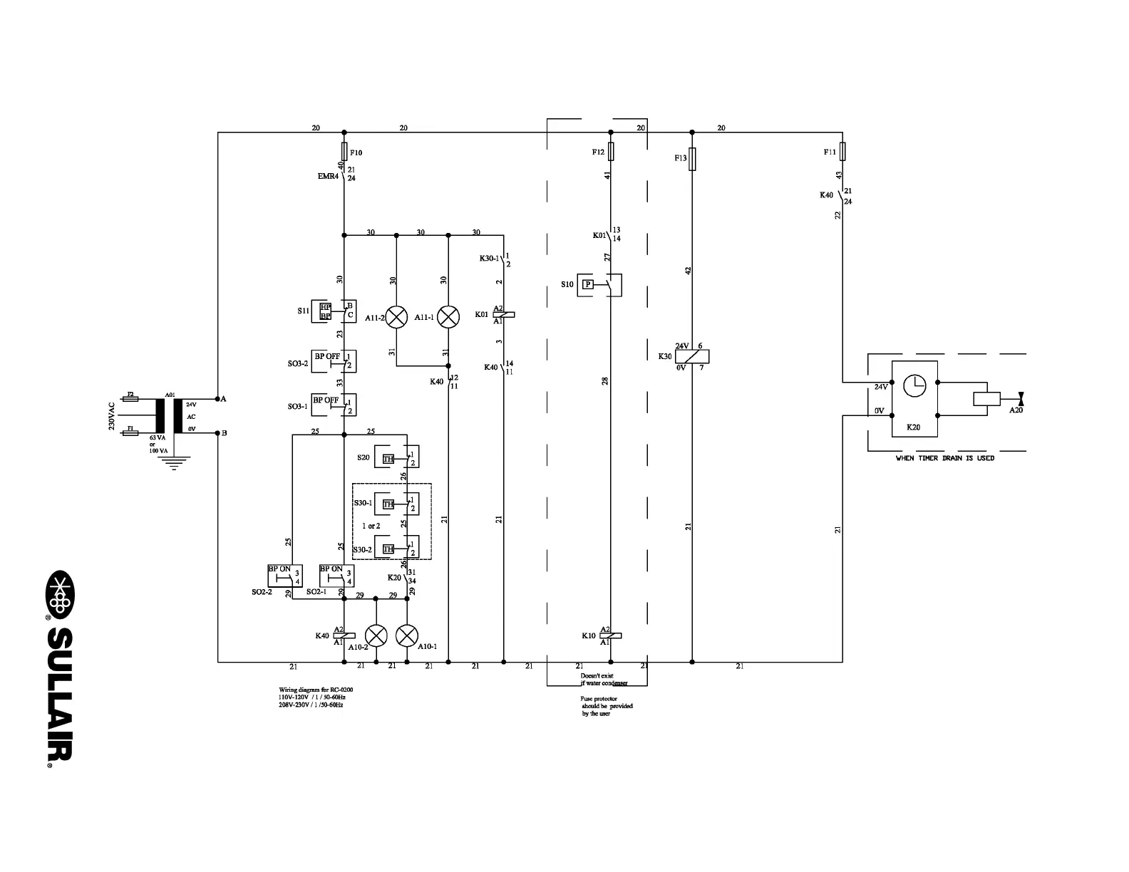
5.47 WIRING DIAGRAM—CONTROL CIRCUIT RC 200 (208/230-1-50/60-A)
02250195-315-1

Table of Contents

Related product manuals