EasyManua.ls Logo

SunStar KM-570BL - Adjusting Feed Dog Height; Adjusting the Auxiliary Presser Foot and the Upper Feed Presser Foot

SunStar KM-570BL
29 pages
Print Icon
To Next Page IconTo Next Page
To Next Page IconTo Next Page
To Previous Page IconTo Previous Page
To Previous Page IconTo Previous Page
Loading...
19
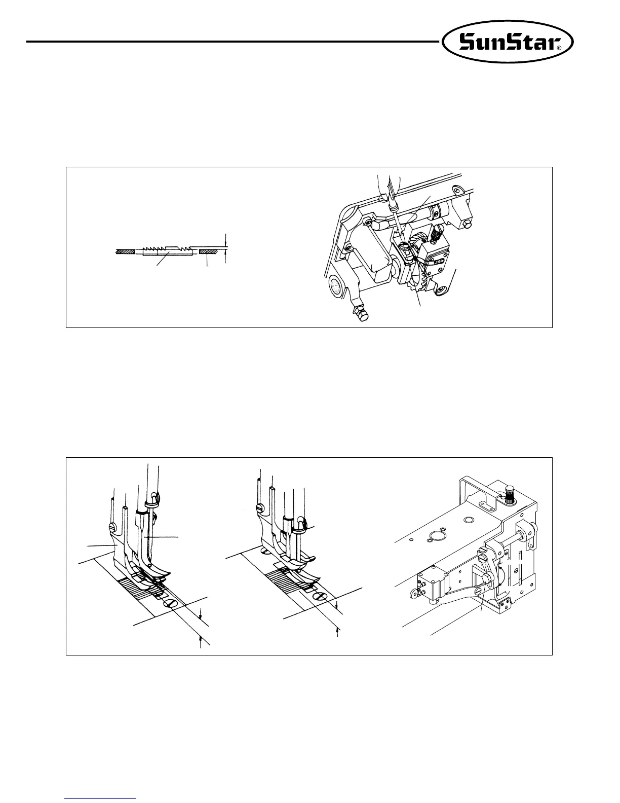
10) Adjusting feed dog height
Turn the pulley so that the feed dog is positioned at its hight to adjust the feed dog . Loosen the fork clamp screw of
the feed dog base as in Figure 29 and move the feed dog base up and down so that the feed dog protrudes about 1 mm from
the needle plate top. After adjustment, fasten the clamp screw firmly.
11) Adjusting the auxiliary presser foot and the upper feed presser foot
Both the auxiliary presser foot and the upper feed presser foot move up and down.
It is normal that both of them move up and down to the same height.
Take the following steps either to adjust the stroke of both to be the same or to make one of the two adjusted lower or
higher, depending on sewing materials.
(1) Adjusting the strokes of both to be the same
A) The vertical motion range of the supplementary presser foot and the upper feed presser foot is 2~6mm.
B) Loosen the adjusting hinge screw .
C) Vertically adjust the hinge screw depending on sewing fabric. When the motion range is set large, move the
adjusting hinge screw upward. Otherwise, move the adjusting hinge screw downward.
[Figure 29]
①②
About 1 mm
[Figure 30]
6mm
6mm
Increase
Decrease

Related product manuals