EasyManua.ls Logo

SunSynk SUN-8K-SG04LP3 - System Wiring for Inverter

SunSynk SUN-8K-SG04LP3
67 pages
Print Icon
To Next Page IconTo Next Page
To Next Page IconTo Next Page
To Previous Page IconTo Previous Page
To Previous Page IconTo Previous Page
Loading...
Page | 28
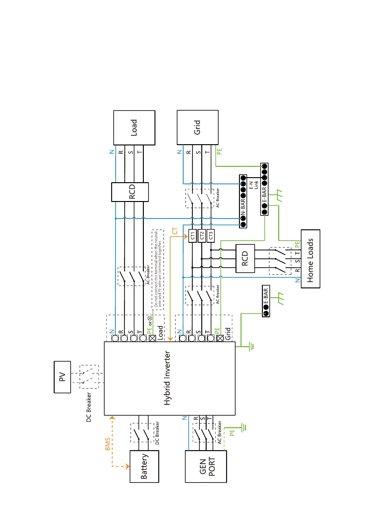
4.9. System Wiring for Inverter
The following diagram is an example for an application where the neutral connects with the PV
in a distribution box.
For countries such as Australia, New Zealand, South Africa, etc., please follow local wiring
regulations!

Table of Contents

Other manuals for SunSynk SUN-8K-SG04LP3

Related product manuals