EasyManua.ls Logo

Synopsys TSMC180 - Page 27

Default Icon
30 pages
Print Icon
To Next Page IconTo Next Page
To Next Page IconTo Next Page
To Previous Page IconTo Previous Page
To Previous Page IconTo Previous Page
Loading...
DWC ADC 12b5M SAR, TSMC180 IP Databook
April 2012 Synopsys, Inc. 27-30
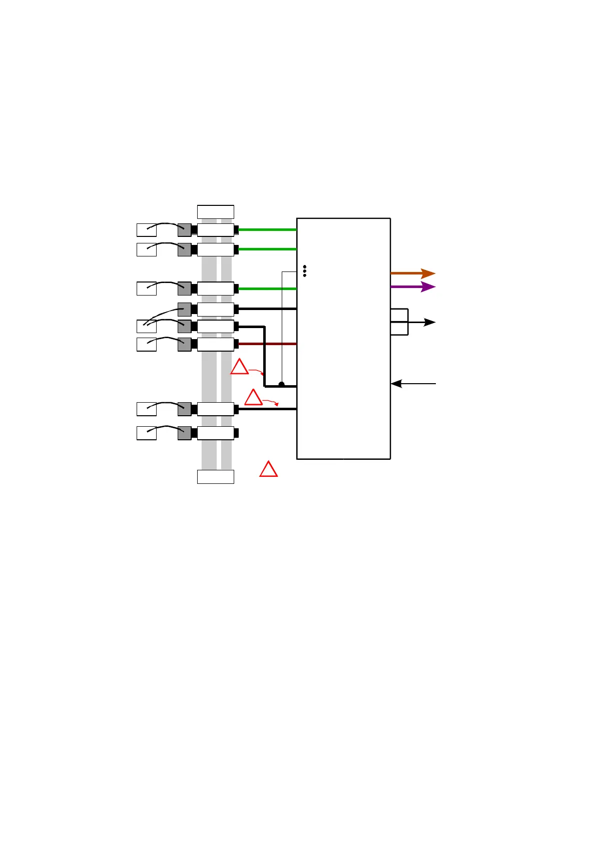
The following figure shows the configuration for differential inputs, with the negative
reference connected to ground internally in order to save package pins. vrefp is connected to
a pad.
In the case of single ended inputs, the unused negative input should be connected to
agndref.
The connection of agndref to the ground supply should be made as close as possible to the
pad, in order to minimize the IR drop.
Figure 15 - IO ring case 2 – Separate Analog IO ring when only vrefp applied externally,
vrefp is connected to a pad, agndref is connected to the ground pad, and the inputs are
differential.
Analog VDD
Power Cut
PVDD1
PANA
vrefp
vinp18
PANA
vinn18
vinn0
IO Rings
Power Cut
PANA
PANA
avdd
SAR
ADC
vrefp
vinp18
vinn18
vinn0
agnd
agndref
in case not
used
dvdd
dgnd
Digital Core VDD
All digital
inputs
From Digital
Core
!
PANA
!
!
IR droop is critical
b11..0
To Digital Core
eoc
sob
Analog GND
PGND1
dvdd_ldo
dvdd_ldo
......
PVDD1

Related product manuals