EasyManua.ls Logo

Systema K21 - Page 18

Systema K21
40 pages
Print Icon
To Next Page IconTo Next Page
To Next Page IconTo Next Page
To Previous Page IconTo Previous Page
To Previous Page IconTo Previous Page
Loading...
18
Rev. 12GB0712
SYSTEMA S.p.A.
AIRTIGHT GAS CONVECTORS
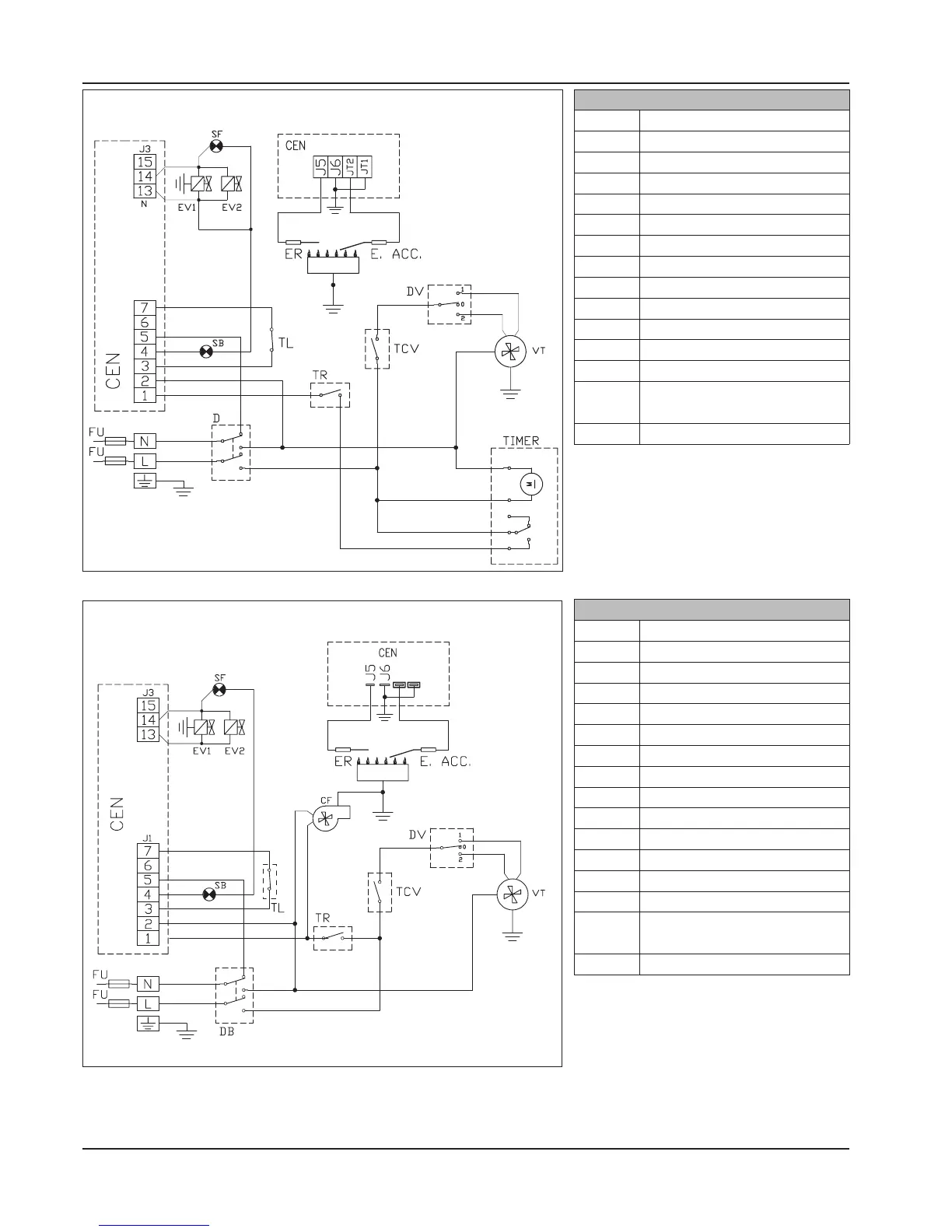
Series VE with timer wiring diagram
Series FE wiring diagram
Draw 12
Draw 13
KEY
L Phase wire
N Neutral wire
W
Ground
DB Bipolar switch
TR Regulation thermostat
TCV Fan triggering thermostat
VT Fan
DV Fan switch
SB Lock-out light
SF Operation light
EV1 EV2 Electronic valve
ER Detection electrode
E ACC. Starting electrode
CEN
Imit AC02 or Brahma CM11F
electronic valve
TL Work thermostat
KEY
L Phase wire
N Neutral wire
W
Ground
DB Bipolar switch
TR Regulation thermostat
TCV Fan triggering thermostat
VT Fan
DV Fan switch
SB Lock-out light
SF Operation light
EV1 EV2 Electronic valve
ER Detection electrode
E ACC. Starting electrode
CF Fan
CEN Imit AC02 electronic valve
TL Work thermostat

Related product manuals