EasyManua.ls Logo

tae TA-U65 - 3.4.6 TA-U200...U280

Default Icon
86 pages
Print Icon
To Next Page IconTo Next Page
To Next Page IconTo Next Page
To Previous Page IconTo Previous Page
To Previous Page IconTo Previous Page
Loading...
Instruction and Operating Manual
TA-U1...U280
Misprints and technical changes reserved
32
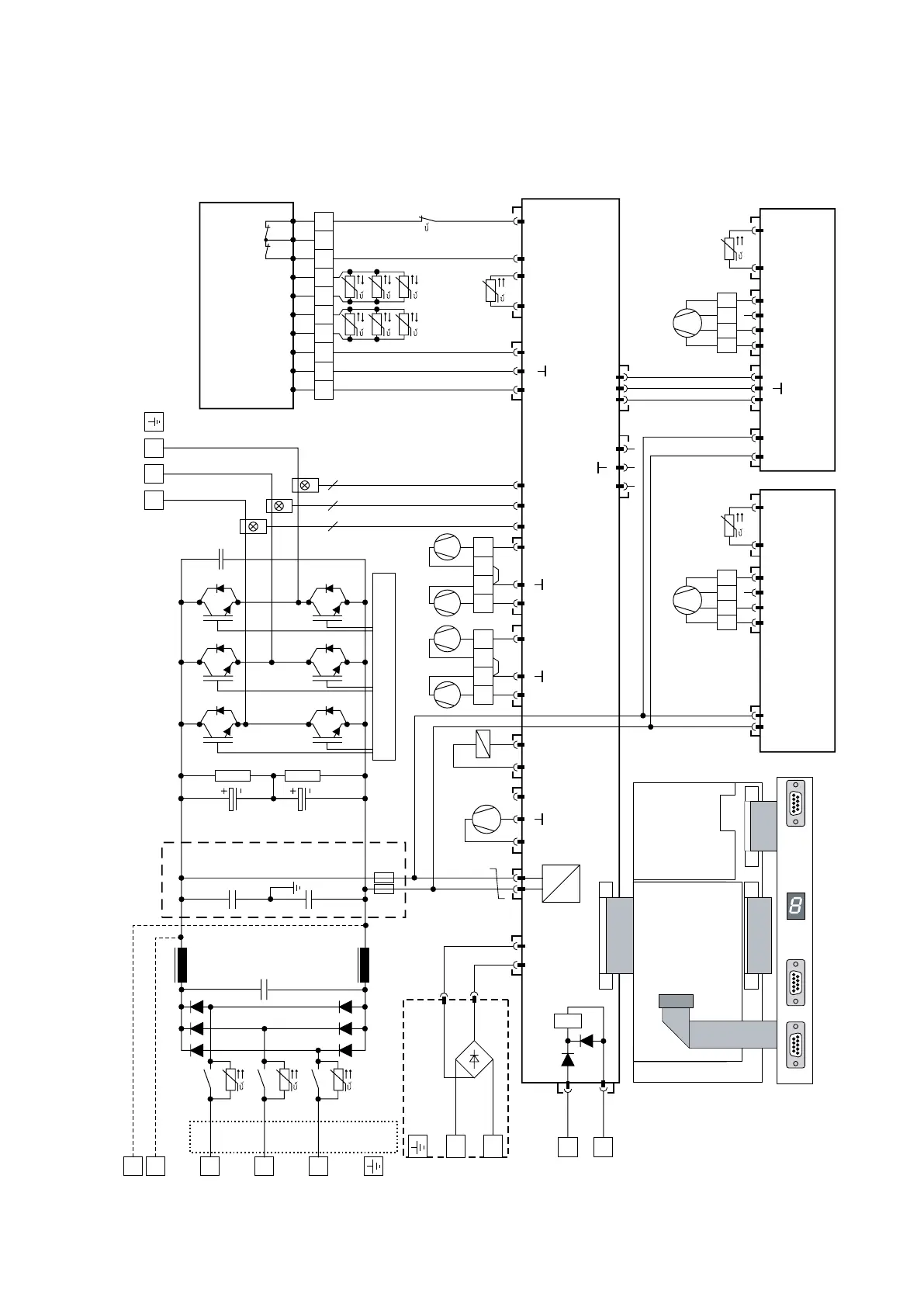
3.4.6 TA-U200...U280
DC
DC
GL1
EMC-Filter
L1
Charge
resistor
Charge
resistor
Charge
resistor
34
L1
21
heatzink
left PT100
X15
41
X1
41
X2
L-
L+
X6
X12
141
1234
23
X1
X4
X1
PowerStage
Powersupply links
CPU-Controlboard
Digital analog
boards
& Bus systems
Encoder-
Systems
Displayboard
12
X8
31
X13
24VDC
+24V
-24V
+
-
X8
12
X7
1 234
-+
+24V
-24V
+24V
2-10V
DC BUSS
0-800V
-24V
rd
bn
bk
bk
bu
X22
123
bn
bk
DC-Bussfilter
E1
IGBT-
heatzink left
E5
Powerstage
4A 4A
48 VDC
-
+
L2
L3
L1
U
X33
23
+24V
-24V
bu
bk
bk
rd
bk
rd
X34
X35
E4.1
23
-24V
+24V
123
+24V
-24V
E4.2
capacitor
right
WV
K1
K1
Safe Stop
X9
X10
X11
4
4
4
IGBT-center left
PT100
123
EXT
rd
ye
wh
bu
rd
ye
bu
wh
rd
1234
X1
4
1
Powersupply right
X8
12
X7
1234
-+
+24V
2-10V
DC BUSS
0-800V
-24V
E2
IGBT-
heatzink right
IGBT- center right
PT100
rd
ye
wh
bu
rd
ye
bu
wh
rd
1234
ws
rt
ge
ge
bn
bk
bn
bk
bu
wh
bk
rd
og
bk
1L2
1L1
X14
1 - 4; wh,bu,gn,bn
1 - 4; wh,bu,gn,bn
1 - 4; wh,bu,gn,bn
234
bu
bk
bk
rd
bk
rd
1
rd
1
rd
E3.1
E3.2
capacitor
left
21 134
Powerstage (IGBT-Control)
X7
123
+24V
-24V
rd
bk
bu
wh
wh
wh
ye
ye
ye
wh
rd
bk
bu
K1
K1
IGBTs
left
IGBTs
right
2c
16c
6c
20a
18a
20c
18c
22a
28c
24a
(R) d1
(L) d2
30c
V2002/TA-U 20121-NTC1
-
+
41
Option Ext.
Elektronic supply
Option
Thermal switch
heatzink right
101 2 3 4 5 6 7 8 9

Table of Contents

Related product manuals