EasyManua.ls Logo

Taie FU72 - Zero; Phase Control

Default Icon
66 pages
Print Icon
To Next Page IconTo Next Page
To Next Page IconTo Next Page
To Previous Page IconTo Previous Page
To Previous Page IconTo Previous Page
Loading...
16. Zero / Phase Control
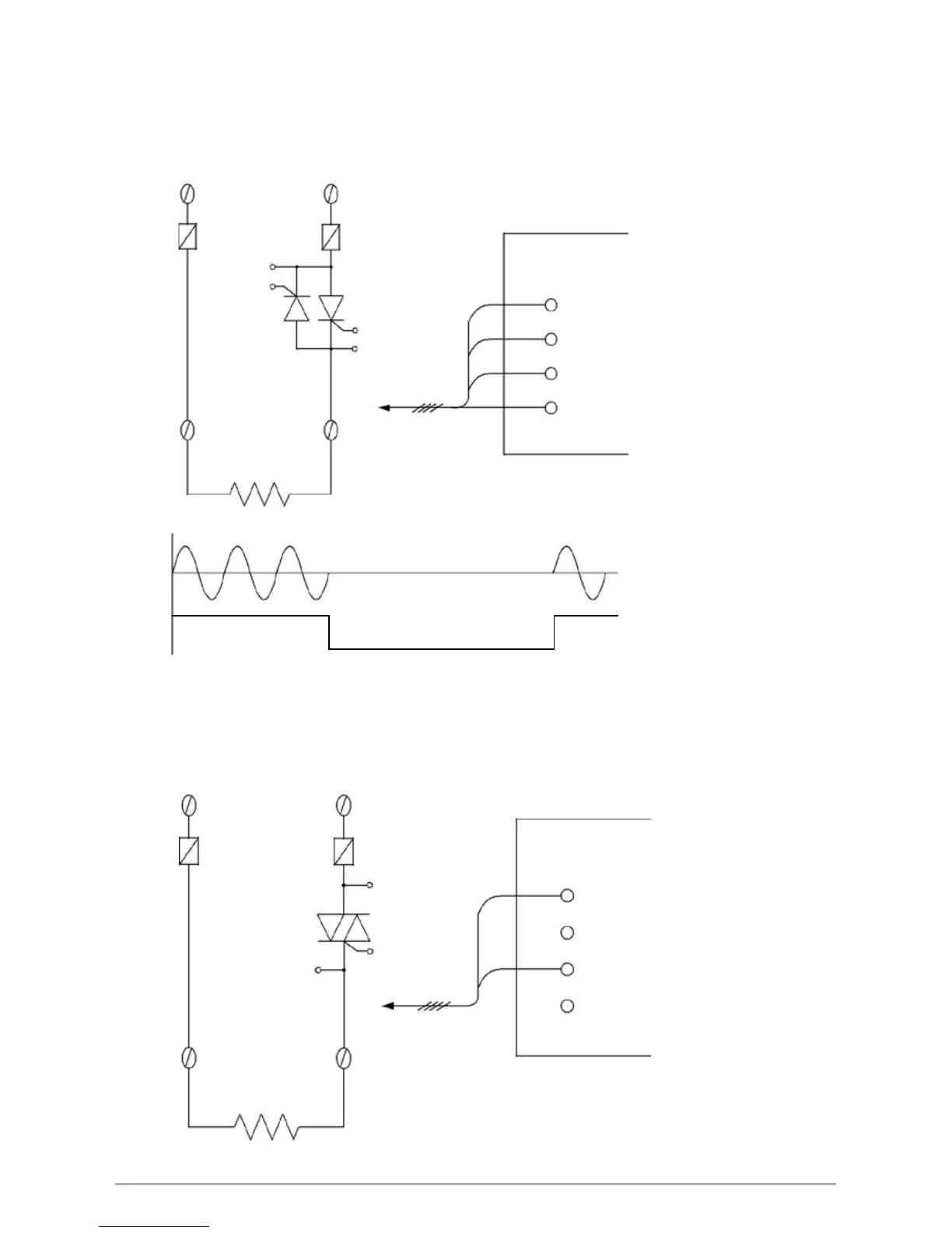
16.1 1ϕ Zero Cross Control (SCR module)
OUT1 : 1Φ SCR zero cross control
Parameter setting : OUTY= 0, CYT1= 1
Wiring Setup :
S R
Fast Fuse
K2
Controller
G2
SCR
Module
G1
G1
K1
K1
G2
U
V
K2
Load
Time Chart
FFO NO
CYCLE TIME = 200ms
16.2 1ϕ Zero Cross Control (TRIAC module)
OUT1 : 1Φ SCR zero cross control
Parameter setting : OUTY= 0, CYT1= 1
Wiring Setup:
S R
Fast Fuse
Controller
T2 (G2)
TRIAC
G1
Module
K1
G (G1)
G2
T1
K2
U V
Load
FY/FU operation manual 60

Related product manuals