EasyManua.ls Logo

Taie FU86 - Motor Valve Control and RAMP & SOAK; Motor Valve Control

Default Icon
66 pages
Print Icon
To Next Page IconTo Next Page
To Next Page IconTo Next Page
To Previous Page IconTo Previous Page
To Previous Page IconTo Previous Page
Loading...
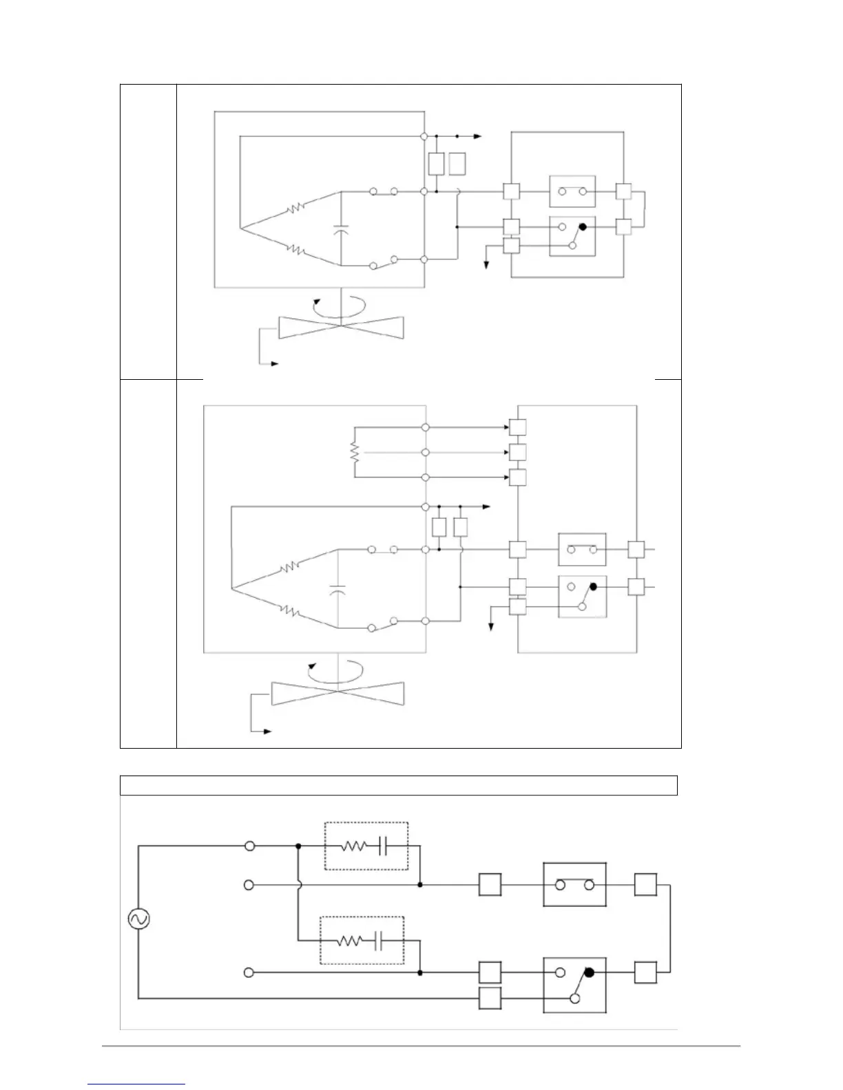
11.6 Motor Valve Control
Function Diagram
Motor valve
FY600/800/900
COM
R
Controller
RC RC
CLOSE
CLOSE
7
6
no
OPEN
8
9
feedback
(NFMV)
OPEN
10
COM
S
ball valveLow pressure, general use
needle valve
High pressure, High precision use
Motor valve
FY600/800/900
Controller
CLOSE
14
CLOSE
1K
COM
15
WIPER
signal feedback
OPEN
16
OPEN
COM
R
RC RC
CLOSE
CLOSE
feedback
7
6
(FBMV)
OPEN
8
9
OPEN
10
COM
S
ball valveLow pressure, general use
needle valve
High pressure, High precision use
It is recommended to install spark killer at the relay junction to prolong the service life of the relay.
Spark killer connection
Motor valve
spark killer
COM
FY600/800/900
Controller
CLOSE
CLOSE
67
A
C
spark killer
NEPO NEPO
98
10
COM
FY/FU operation manual 38

Related product manuals