EasyManua.ls Logo

Tangent Rugged Mini E1 - Page 22

Tangent Rugged Mini E1
49 pages
Print Icon
To Next Page IconTo Next Page
To Next Page IconTo Next Page
To Previous Page IconTo Previous Page
To Previous Page IconTo Previous Page
Loading...
Rugged Mini E1 | User’s Manual
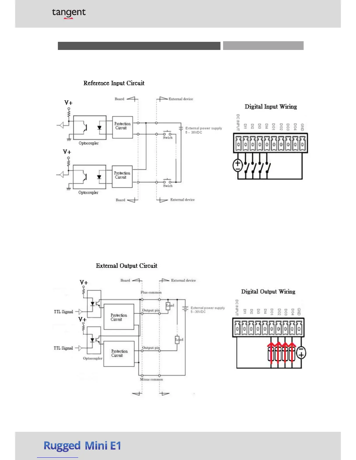
Chapter 2: Switches and Connectors
22

Related product manuals