EasyManua.ls Logo

Teac E Series - Connecting VCR

Teac E Series
45 pages
Print Icon
To Next Page IconTo Next Page
To Next Page IconTo Next Page
To Previous Page IconTo Previous Page
To Previous Page IconTo Previous Page
Loading...
14
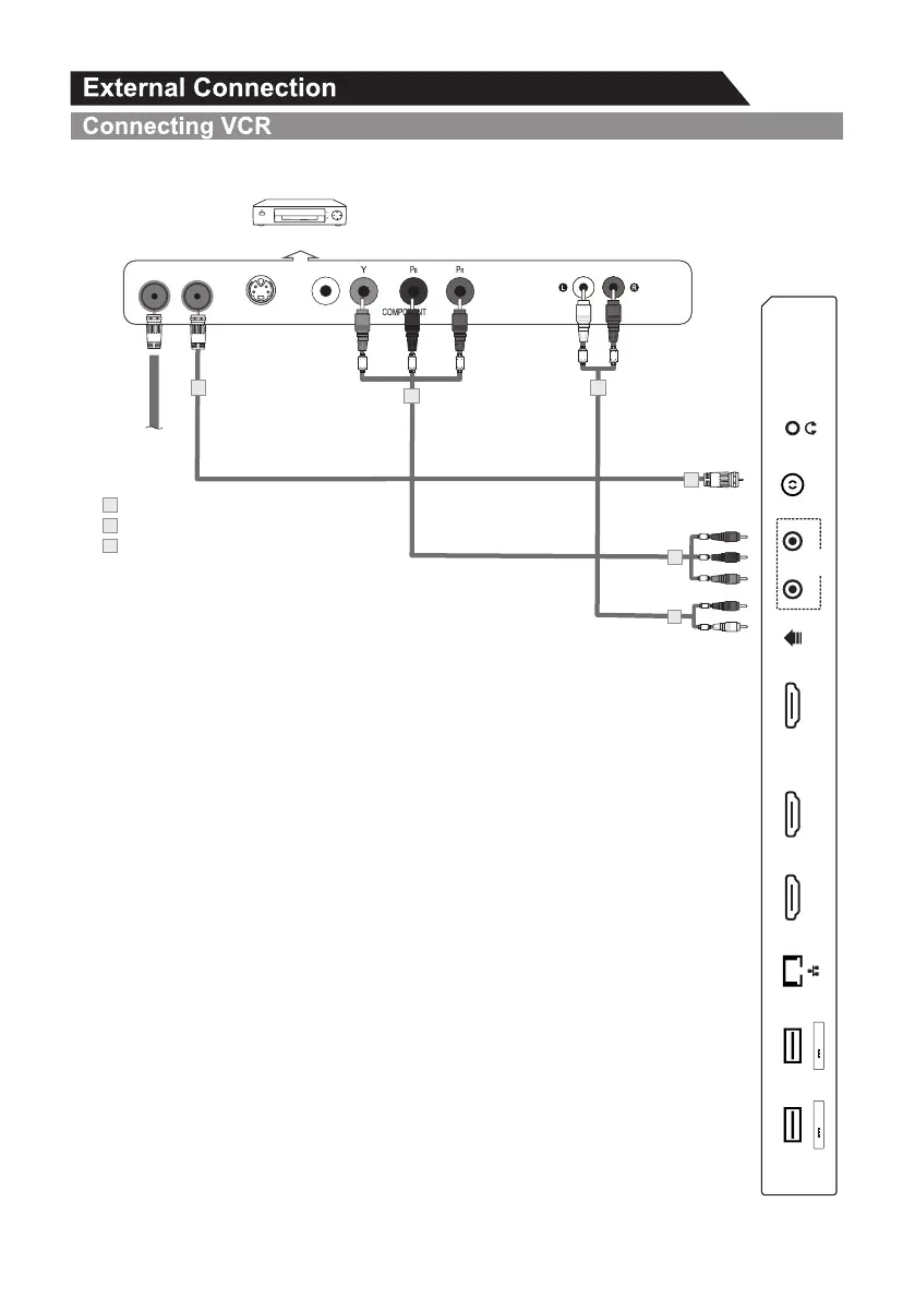
These instructions assume that you have already connected your TV to an antenna or a cable
TV system. Skip step 1 if you have not yet connected to an antenna or a cable system.
VCR Rear Panel
TV Rear Panel
White
Red
ANT
ANT OUT S-VIDEO
AUDIO OUT
Red
Blue
Green
VIDEO OUT
2
3
Red
Blue
Green
Red
White
2
3
1
1
Follow the instructions in Viewing a VCR or Camcorder Tape to
view your VCR tape.
Each VCR has a different back panel configuration.
When connecting a VCR, match the color of the connection
terminal to the cable.
1. Unplug the cable or antenna from the back of the TV.
2. Connect the cable or antenna to the ANT IN terminal on the
back of the VCR.
3. Connect an RF Cable between the ANT OUT terminal on the
VCR and the ANT IN terminal on the TV.
4. Connect a Component Cable between the COMPONENT
[Y, Pb, Pr] jacks on the DVD player and YPbPr jack on the TV.
5. Connect Audio Cables between the AUDIO OUT jacks on the
VCR and the AUDIO L and AUDIO R jacks on the TV.
Note:
1. Whenever you connect an external device to your TV, make
sure that power on the unit is turned off.
2. When connecting an external device, match the color of the
connection terminal to the cable.
2
1
Audio Cable (Not supplied)
YPbPr cable(Not supplied)
RF Cable (Not supplied)
3
AV IN
SPDIFUSB1
5V 500mA
RF
YPbPr/V
HDMI1(ARC)
AUDIO
HDMI2HDMI3
USB2
5V 500mA

Related product manuals