EasyManua.ls Logo

Technics RS-TR979 - Page 13

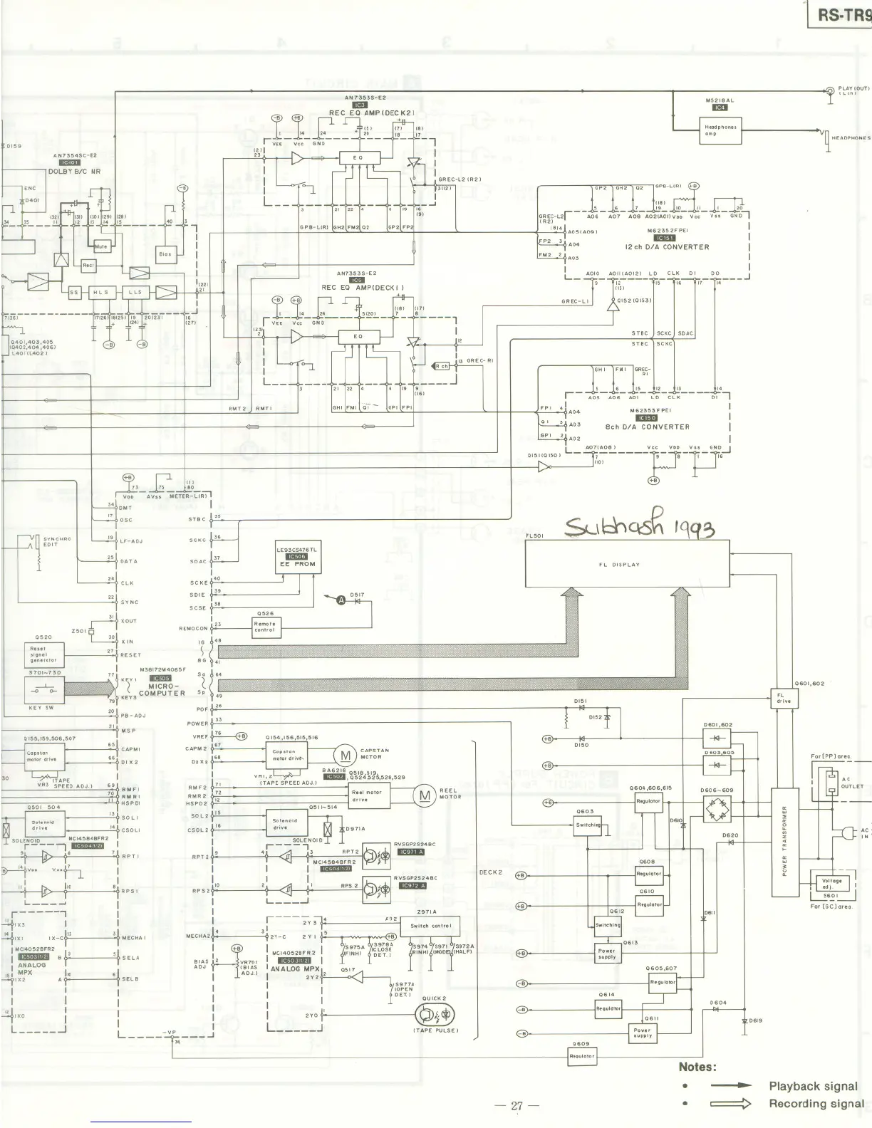
Technics RS-TR979
34 pages
Print Icon
To Next Page IconTo Next Page
To Next Page IconTo Next Page
To Previous Page IconTo Previous Page
To Previous Page IconTo Previous Page
Loading...
SOlE
SCSEP
rl 'OUT ,0'"
05'0 Z5D'!f "I RE"OCONl!, r;;:;;::-J
~ ' ,N :-L::::J
~ RESET '\ ~..
I S7=0~...
{
1"" "3_0m
:: \
~
:~
~ ~ ",m I MICRO- (
""COMPUTER 5,
'EY Sw" "
"I PD,I26
""..""" 9
'
CSOLI
SDLENOID_- mmrm 1~
~RPT' RPT',
~'" ,..<'>' I
:
.!!- r 1.1 I "
~RP5' RPS'~
. -T V T I I '97"
L ~ I I
r
~. '"'I Swl""""" I
, I I "3
"r " ~. ,I 'Y'~,I"I, J,
'" "EeHA' I'y-C I km. 6,,97';-;:- S97A 59" 5972A
-4 j" 31"EOH"
I
I
I
S9"A fCCDS
,
E
[
'NH'
I
MOD
I
HAL"
1'" ,,-c
H
+B ""ADS'"," "'NHI 1DET I
IAD52B'" f 'I IImIIIfD I
i"iImmm Bj' , SELA :::.," ~:,';:i
'ANALOG MPX~
ANALOG I AD',I I 'Y', ~ J,S977A
,,!,~:X A~" 'ISELB I , I 160:i~ OU""
.., " ", ~
: J I I: 2YOI' 'P'~t$
Id I I I
L .J 'TAPEPULSEI
,'XO I I , -----
L ~ L ~_--~
0"9
AN"SAse-"
lED
OOLBY BIC NR
ENC
""
~,
'~'
IS ,
I
B", I
I
,
I""
."
I ~'-AF.£u;;1
..lD"T I
~ SYNCHRD
i EDIT
L'-AD'
DATA
SYNC
CAP"'
AN73S35-"
..
1
B
~
REC EQ AMPIOEC.K2)
I ,,'7 . IS> '" '"
r - J::-. " "
"'1 m ",- GND--- -- - "-1
23, - r - - EO I
,
I
GREe-L''" I
\iIi2i
I
I
I
Lu
GP'I,p'l
AN73S35-"
lID
RECEQ AMPIOECKI}
~tl.-k--j,~2--
r", ", GND T
"i'l
3 ", ", ,,-- , T"h J
""
GH"'""O'- 'GPI"PI
I::J
POWER'"
R"" ~
R"" ~
HSPD'fl-
SOL' '"
CSOL'
R'SGP2S"BC
BfiD
ADSlAD91
I
I
I
,
CL' 01 I
17-1\ J
'P' '. ADA
"6235 "PEl
IIIID
12ch D/A CONVERTER
'"' ,
'
L...
AOIO AD" 1A012' LD
- ~--::,;-:---"t";
GREe-LI
0""0 IS31
STBC SC", SDAC
STBC se",
r-
,
'PI'. ADA
,
I
I
I
L ADTIAOB' ", '" ", GND...J
0""0ISO, -~,;;
p
- '-p'
.,
4A03
GPI 'lAO'
""'" ,PEl
IlmiJ
Sch D/A CONVERTER
'LSOI
$L\~~ rqq.3
'L DISPLAY
DECK2
0'01,'0'
~.
D'OA
Notes:
.
-
-27-
.
==;>
0609
-\ RS.TR9
@ PLAnOUTI
1 'L'"
q HEADPHONES
0'01,'0'
"
"'"
.
"
>
0
z
<
.
AC
ON
.
~
Playback signal
Recording signal

Other manuals for Technics RS-TR979

Related product manuals