EasyManua.ls Logo

Technogym BIKE XT - Belt Tension

Technogym BIKE XT
68 pages
Print Icon
To Next Page IconTo Next Page
To Next Page IconTo Next Page
To Previous Page IconTo Previous Page
To Previous Page IconTo Previous Page
Loading...
BIKE XT: Service & Maintenance manual - rev. 2.0
Page 8.2
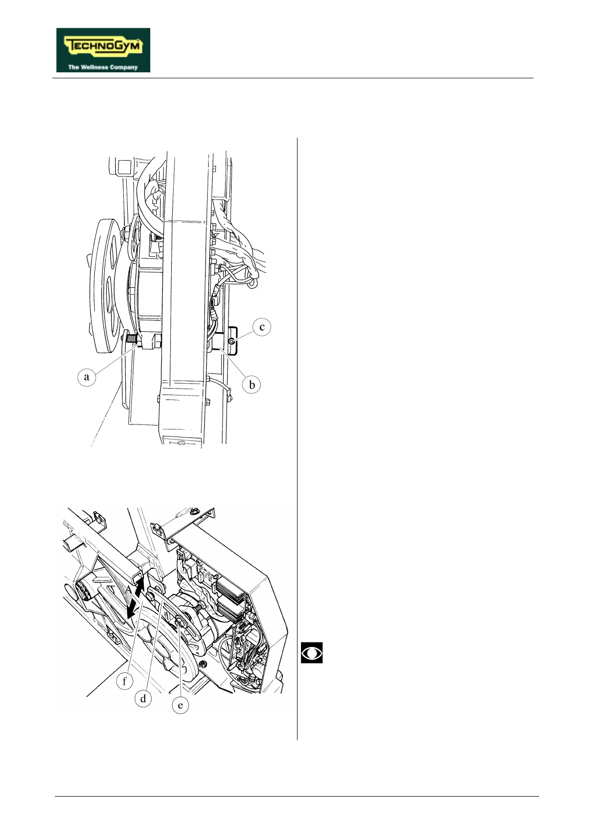
8.2. BELT TENSION
Figure 8.2-1
Carry out the procedure described in paragraph
7.7. Disassembling the right and left side
casings”.
1. Back off lock nut a of alternator pivot b
using a 19-mm wrench.
2. Back off dowel c of alternator pivot b.
Figure 8.2-2
3. Back off nut e of belt tension rod d using a
17-mm wrench.
4. Rotate the alternator on its pivot axis in such
a way that, at point A, belt f has a vertical
play of approximately 1 cm.
After completing this operation, check
the belt tension again.

Table of Contents

Related product manuals