EasyManua.ls Logo

TechVision PS32E8N2 - Page 14

Default Icon
121 pages
Print Icon
To Next Page IconTo Next Page
To Next Page IconTo Next Page
To Previous Page IconTo Previous Page
To Previous Page IconTo Previous Page
Loading...
Introduction
DVR User Manual
8
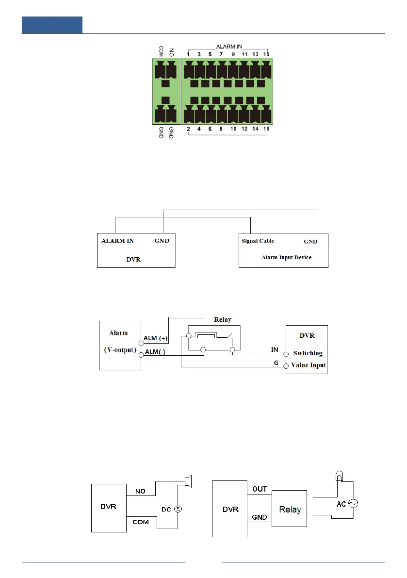
Alarm Input:
Alarm IN 1~16 are 16 CH alarm input interfaces. There are no type requirements for sensors.
NO type and NC type are both available.
The way to connect sensor and the device is as shown below:
The alarm input is an open/closed relay. If the input is not an open/closed relay, please refer to
the following connection diagram:
Alarm Output:
The way to connect alarm output device:
Pull out the green terminal blocks and loosen the screws in the alarm-out port. Then insert the
signal wires of the alarm output devices into the port of NO and COM separately. Finally,
tighten the screws. Provided that the external alarm output devices need power supply, you can
connect the power supply as per the following figures.

Table of Contents

Related product manuals