EasyManua.ls Logo

TECO FM501P2-X - Page 24

TECO FM501P2-X
68 pages
Print Icon
To Next Page IconTo Next Page
To Next Page IconTo Next Page
To Previous Page IconTo Previous Page
To Previous Page IconTo Previous Page
Loading...
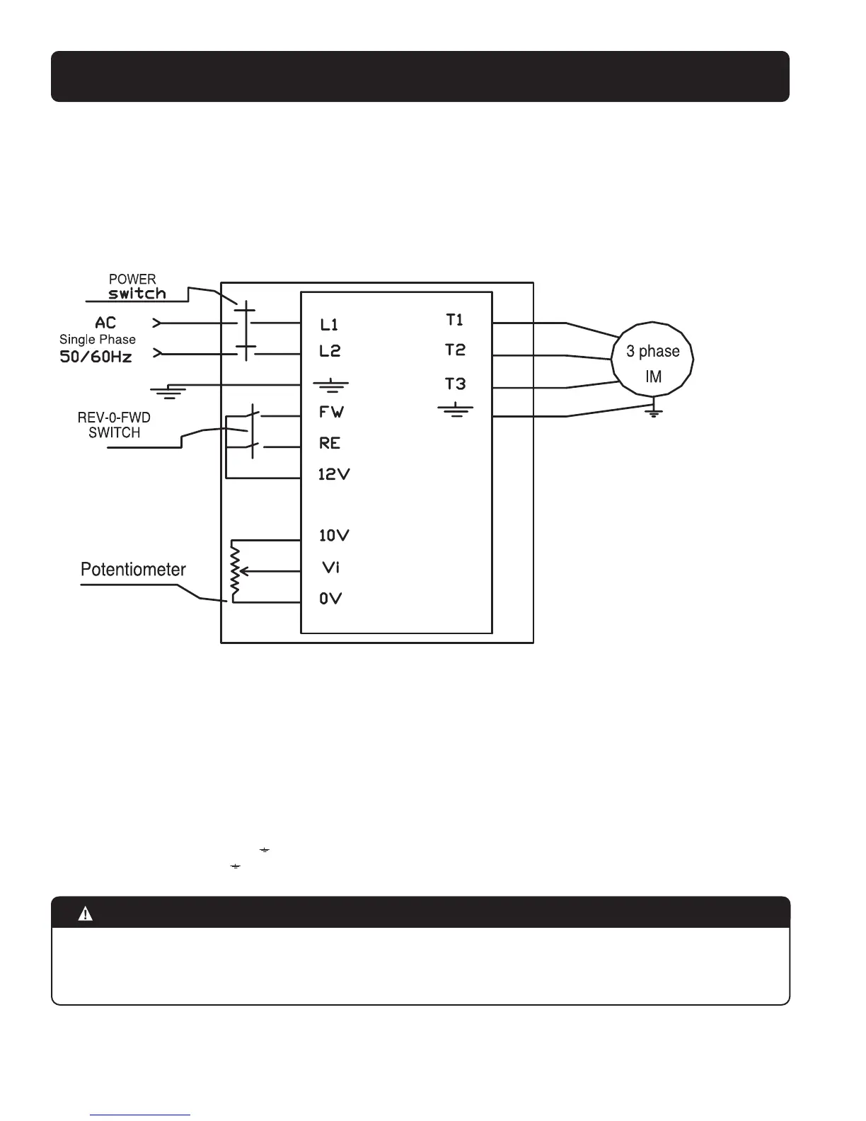
CONNECTION
Circuit Diagram
FM50 NEMA 4X (IP65 Indoor Duty) with operators (115V, 230V, 1/4 - 1HP models)
NOTE :
1. Power switch,REV-0-FWD switch and potentiometer are only for NEMA 4X units with operator devices.
2. Power supply cable: #14 AWG (2.0mm
2
)
3. Motor cable: #16 AWG (1.25mm
2
)
4. Tightening torque value for terminals:
(1). Power/Motor cable (plug-in) terminal: 4.34in-lb (5kg-cm)
(2). Remote control wire: 3.47in-lb (4kg-cm)
(3). Outer cover (M4): 5.20in-lb (6kg-cm)
5. Input source: single-phase (L1, L2, ), make sure that it is connected to the appropriate power supply.
6. Output motor: three-phase ( ,T1,T2,T3)
CAUTION
-Do not start or stop the AC drive using the main circuit power.
- NEMA 4X with operators: Always maintain REV-0-FWD switch at 0 position.This will ensure that the AC drive is stopped
before power up after power supply interruption.Otherwise,injury may result to personnel.
24
FLUXMASTER 50 INSTRUCTION MANUAL