EasyManua.ls Logo

Tektronix 2467B - Page 98

Tektronix 2467B
536 pages
Print Icon
To Next Page IconTo Next Page
To Next Page IconTo Next Page
To Previous Page IconTo Previous Page
To Previous Page IconTo Previous Page
Loading...
Theory of Operation—2465B/2467B Service
FRONT-PANEL
CONTROLS
>
FRONT-PANEL
INDICATORS
<3>
ROW. COL.
AND ANALOG
SIGNALS
LED DATA
ANALOG
AND
DIGITAL
CONTROLS
4>
CH 4 IN (O-
CH 3 IN
CH 2 IN
CH 1 IN
LOW-VOLTAGE
POWER
SUPPLY
<J>«°>
r
CD (CONTROL DATA)
AT AND AV
REFERENCE VOLTAGES
MPU ROM
RAM
MPU
BUS
I_J__7
CH 3
AND
CH 4
PREAMP
<3>
AUXILIARY
CONTROL
REGISTER
<3>
CH 3 GAIN
CH 4 GAIN
CH 4 SIG
CH 3 SIG
CH 4 TRIG
PICKOFF
CH 3 TRIG
PICKOFF
BWL CH 2 OUT
TO
ALL
CIRCUITS
CH
P
ATTENUATOR
AND
MAG LATCH
RELAYS
Al
.<3>
CH 2
PREAMP
CD
CH 1
ATTENUATOR
AND
MAG LATCH
RELAYS
A12
CH 1
PREAMP
CD
LINE (60 Hz)
CNTL1
CNTL2
HORIZONTAL
OUT (X)
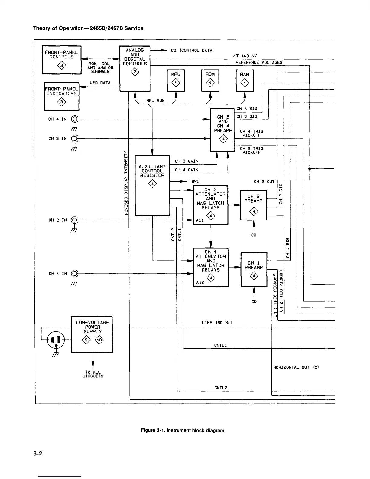
Figure 3-1. Instrument block diagram.
3-2

Table of Contents

Related product manuals