EasyManua.ls Logo

Tektronix 2467B - Page 99

Tektronix 2467B
536 pages
Print Icon
To Next Page IconTo Next Page
To Next Page IconTo Next Page
To Previous Page IconTo Previous Page
To Previous Page IconTo Previous Page
Loading...
Theory
of
Operation—2465B/2467B Service
CH2
OUT
CD
READOUT
READOUT
REQUEST
CD-
READOUT
VERTICAL
OUT
VERTICAL
CHANNEL
SWITCH
>
READOUT HORIZONTAL
OUT
DELAY LINE
78ns
BWL
»
READOUT
ACKNOWLEDGE
DISPLAY
SEQUENCER
<5>
6'
li
0)T
'
T5
TRACE
SEP
HORIZONTAL SELECTS
INT CONTROL
HOLDOFF
A GATE
DLY SELECT
OLY SWP
HOLDOFF
GATE
B GATE
^
TRIGGERS
<S>
A TRIG
CD-
A
SWEEP
A DELAY GATE
CD
«—»
E
B GATE
DELAY
GATE
SWITCH
<5>
A DELAY GATE
B TRIG
CD-
B
SWEEP
<s>
A GATE
A DLY
GATE
B GATE
CNTL1
A
SWEEP
B
DLY
GATE
B SWEEP
HIGH-VOLTAGE
POWER SUPPLY
VERTICAL
AMPLIFIER
>
VERT
SIG
-1KV (2467B)
+14KV (2465B)
+ 15KV (2467B)
-1.9KV
READOUT SELECT
EXT
Z IN
Z-AXIS
AMPLIFIER
-2KV
r
2
DC
RESTORER
SWEEP
AND
MEASUREMENT
LOGIC
>
Z-AXIS
OUT
A GATE
B GATE
HORIZONTAL
AMPLIFIER
HORIZ
SIG
ih
CRT
fh
2467B
MCP BIAS
AMPLIFIER
o
»
rh
§
6863-33
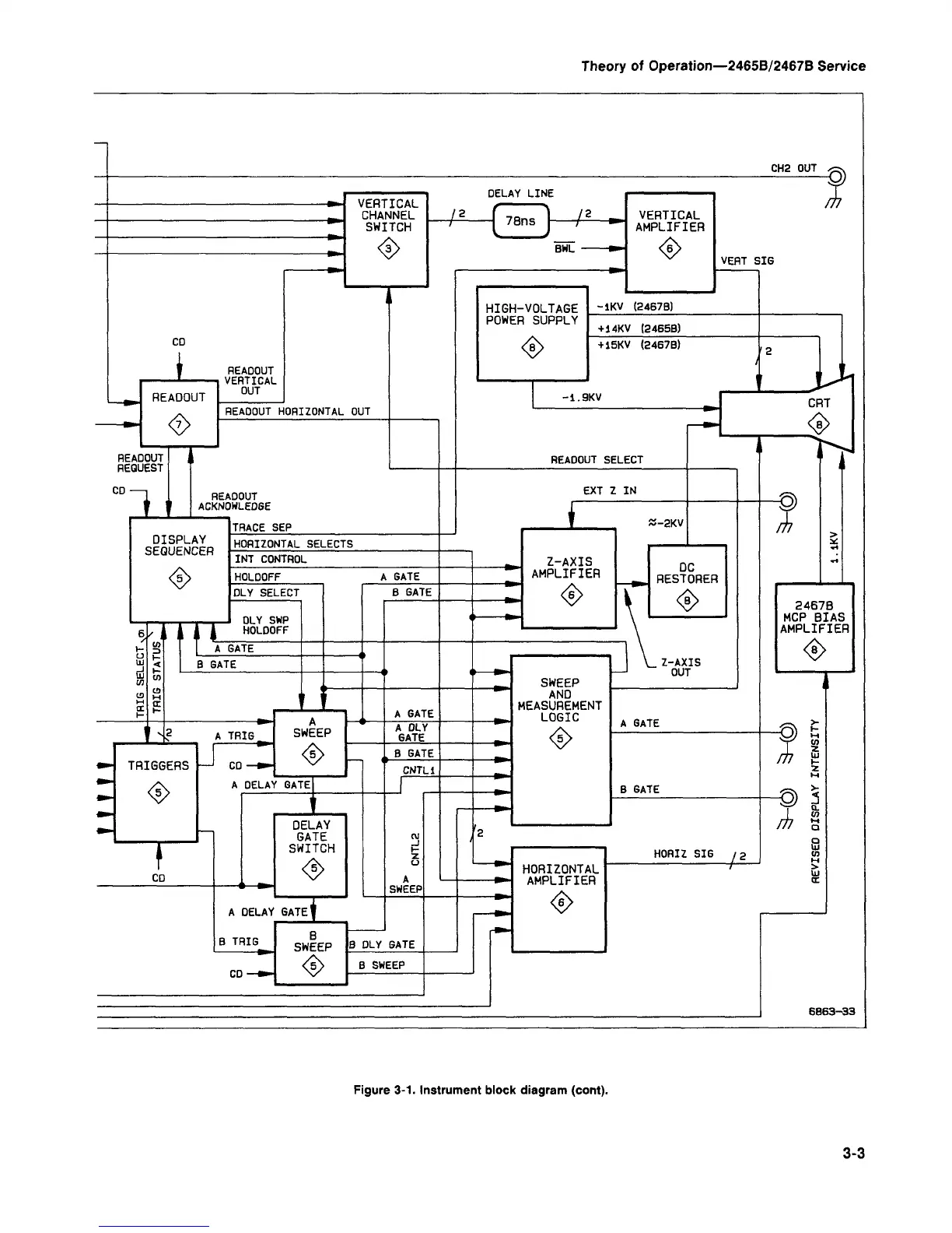
Figure 3-1. Instrument block diagram (cont).
3-3

Table of Contents

Related product manuals