EasyManua.ls Logo

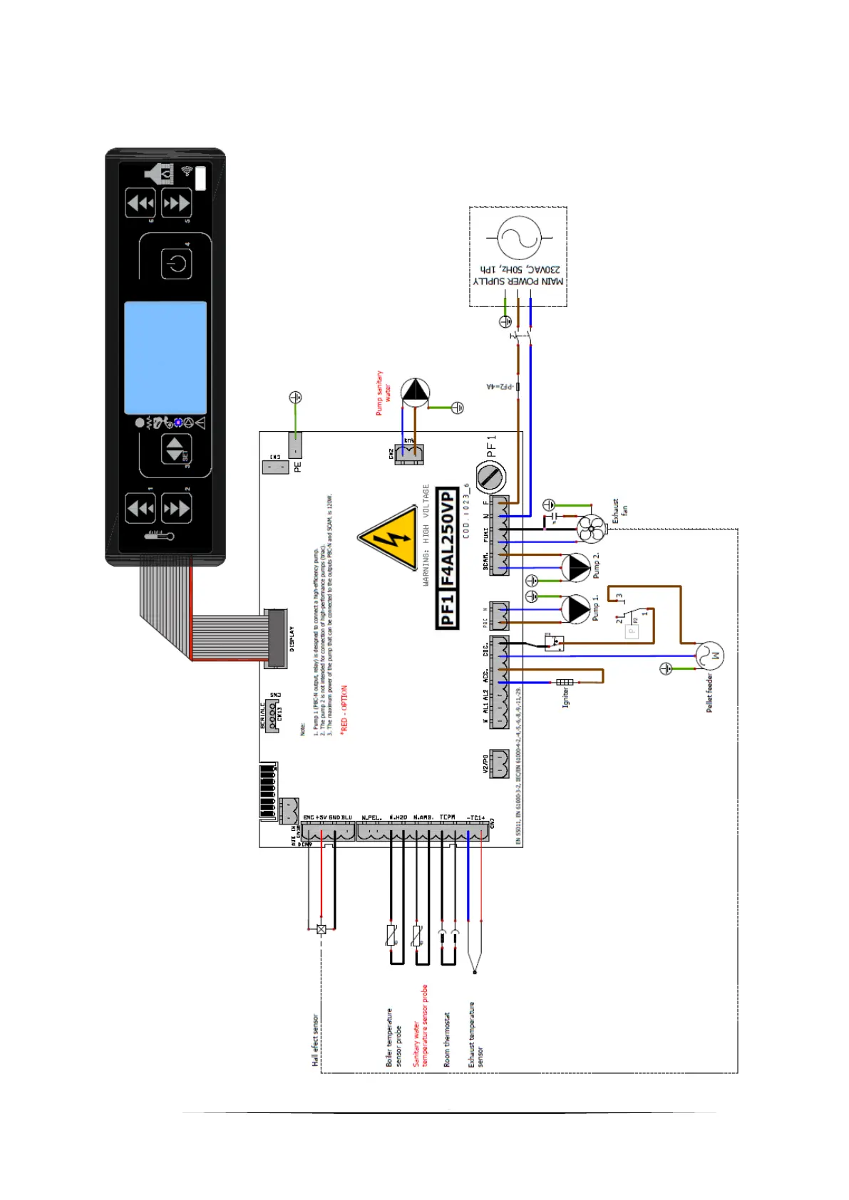
ThermoFLUX INTERIO - Electrical wiring diagram

ThermoFLUX INTERIO
51 pages
Print Icon
To Next Page IconTo Next Page
To Next Page IconTo Next Page
To Previous Page IconTo Previous Page
To Previous Page IconTo Previous Page
Loading...
24
5.2 Electrical wiring diagram

Table of Contents