EasyManua.ls Logo

Thytronic NC20 - Page 115

Thytronic NC20
227 pages
Print Icon
To Next Page IconTo Next Page
To Next Page IconTo Next Page
To Previous Page IconTo Previous Page
To Previous Page IconTo Previous Page
Loading...
115
NC2 0 - Manual - 01 - 2015
FUNCTION CHARACTERISTICS
Operation
For any protective element, three main conditions can arise:
Start = OFF: the element is at rest (no trip) regardless of the input/output blocks.
Start = ON: the element trips if no selective block input becomes active during the operate time.
Start = ON: if the selective block input (BLIN1 and/or binary input) becomes active, the element
goes in selective block state wherein the operate timer is forced to reset, so the element cannot
trip. After an adjustable time t
B-Iph
(common for phase protection elements) or t
B-IE
(common for
earth protection elements), the selective block input is disregarded and the operate timer can
start again. Information about t
B-Iph
and or t
B-IE
expired is available for reading (tB timeout data
inside Read \ Selective block - BLOCK2 \ Block2 input menu) and can drive an output relay and
or a LED (tB-K and or tB-K parameters inside Set \ Profi le A(or B) \ Selective block - BLOCK2 \
Selective block IN submenu).
With a setting other than 0.00 s, the t
B-Iph
and t
B-IE
timers may be used to have a backup protection
available against pilot wire short circuit.
[1]
The t
B-Iph
and/or t
B-IE
timers must be adjusted according the following rule (example for t
B-Iph
):
t
B-Iph
= t
F
v
+ ε
t
+ ε
s
where t
F
v
is the value of block output timer related to the downstream relay (example t
F-Iph
), ε
t
is a
chronometric selectivity margin to apply in comparison to the t
B-Iph
time related to the downstream
relay (does not take into account if such margin has been considered for the t
F-Iph
setting), ε
s
is a
safety margin. The chronometric selectivity applied among the t
B-x
times of the relays in accelerated
logic system allows to avoid more the contemporary circuit breaker opening after the clearing of a
fault in a line of concomitant plant to the short-circuit of the pilot wires concerning the same line.
Note 1 In the absence of suitable provisions, a short circuit on a pilot wire causes the block of the receiving relay, so a possible fault (contemporary or
following) inside the protected zone, cannot be cleared that being the case the protective relay blocked.
A)
B)
C)
Binary input INx
T 0
Logic
INx
t
ON
INx
t
ON
INx
t
OFF
T0
n.o.
n.c.
INx
t
OFF
Binary input INx
T 0
Logic
INx
t
ON
INx
t
ON
INx
t
OFF
T0
n.o.
n.c.
INx
t
OFF
Binary input INx
T 0
Logic
INx
t
ON
INx
t
ON
INx
t
OFF
T0
n.o.
n.c.
INx
t
OFF
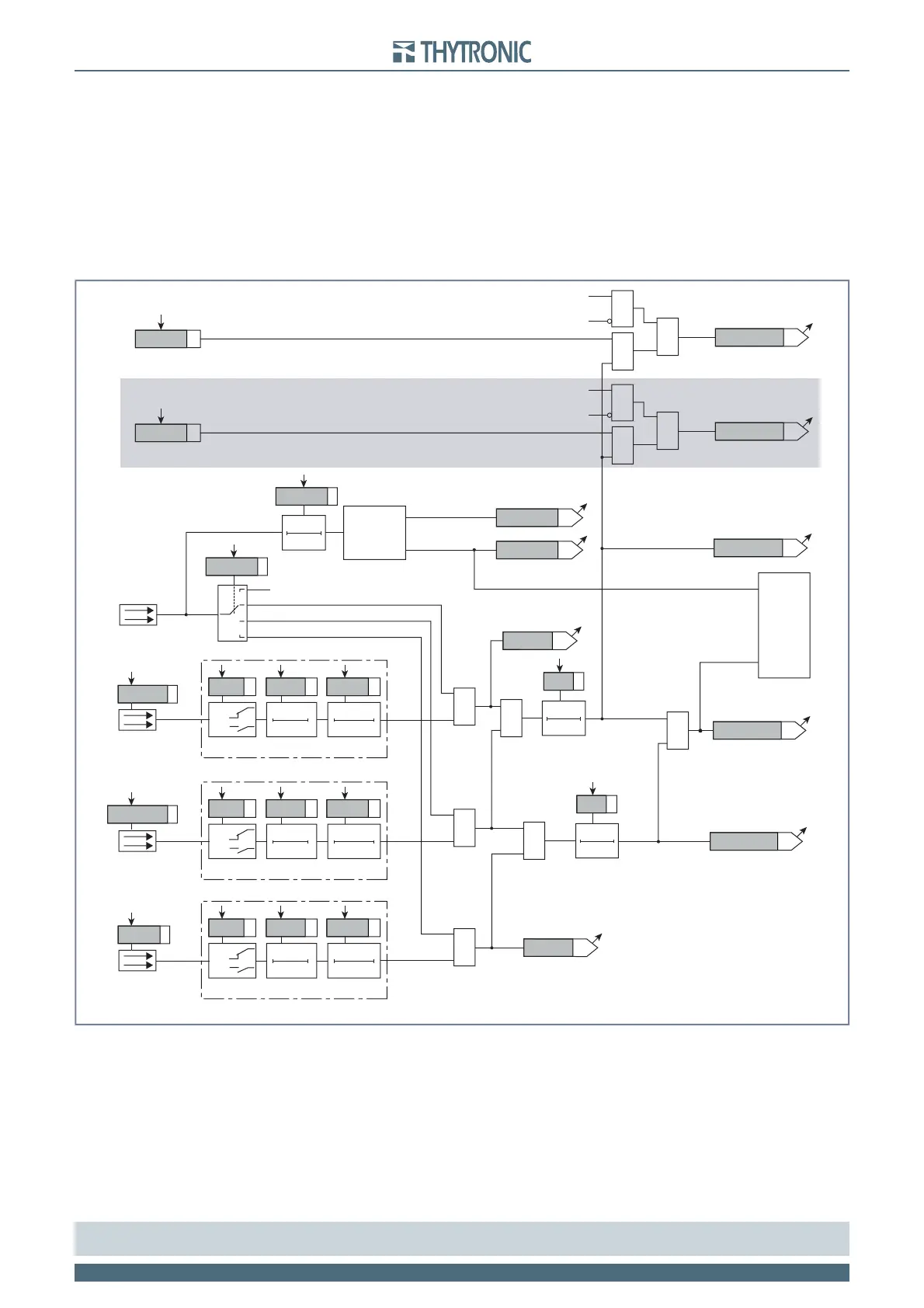
Block2 IPh
Block2 IPh/IE
ModeBLIN1
PulseBLIN1
T 0
Pilot wire
Diagnostic
Pulse BLIN1
Block2-in-diagram.ai
1
1
1
1
BLK2IN xx
&
&
&
Pilot wire input
No pulses
Permanently “ON”
xxBLK2IN
BLK2IN-Iph
Start xx
Trip xx
BLK2IN I>
&
&
Block2 input enable (I> element)
(IN>, IN>>, DthAL1, DthAL2, Dth>, I>, I>>, I>>>, IE>, IE>>, IE>>>, elements)
Block2 input enable
(ONEnable)
&
I>BLK2IN
Start I>
Trip I>
Iph Block2
IE Block2
BLK2IN-IE
tB timeout
FROM EARTH FAULT PROTECTIONS
FROM ANY PROTECTIONS
FROM PHASE PROTECTIONS
OFF
ON IPh
ON IPh/IE
ON IE
BLIN1
Block2 IE
Breaked BLIN1
TRIPPING MATRIX
(LED+RELAYS)
1
1
Shorted BLIN1
Logic diagram concerning the selective block intput - Block2 input
T0
t
B-Iph
t
B-Iph
t
B-IE
T0
t
B-IE

Table of Contents

Related product manuals