EasyManua.ls Logo

Thytronic NC20 - Page 93

Thytronic NC20
227 pages
Print Icon
To Next Page IconTo Next Page
To Next Page IconTo Next Page
To Previous Page IconTo Previous Page
To Previous Page IconTo Previous Page
Loading...
93
NC2 0 - Manual - 01 - 2015
FUNCTION CHARACTERISTICS
Binary input INx
T0
Logic
INx
t
ON
INx
t
ON
INx
t
OFF
T0
n.o.
n.c.
INx
t
OFF
Binary input INx
T0
Logic
INx
t
ON
INx
t
ON
INx
t
OFF
T0
n.o.
n.c.
INx
t
OFF
Binary input INx
T0
Logic
INx
t
ON
INx
t
ON
INx
t
OFF
T0
n.o.
n.c.
INx
t
OFF
Binary input INx
T0
Logic
INx
t
ON
INx
t
ON
INx
t
OFF
T0
n.o.
n.c.
INx
t
OFF
Block2 IPh
Block2 IPh/IE
ModeBLIN1
T0
t
B-Iph
50-51FS2_BL-diagram.ai
1
1
1
1
t
B-Iph
t
B-IE
BLK1I>>
&
&
BLK2IN I>>
&
&
Enable (ONEnable)
I>>BLK1
Block2 input enable (ONEnable)
Pilot wire input
&
I>>BLK2IN
Block1
BLK2IN-Iph
Start I>>
Trip I>>
Iph Block2
IE Block2
BLK2IN-IE
tB timeout
Block2 input
tB-K
tB-L
Block1
FROM EARTH FAULT PROTECTIONS
FROM ANY PROTECTIONS
OFF
ON IPh
ON IPh/IE
ON IE
BLIN1
Block1
T0
t
B-IE
Block2 IE
1
Block1, Block2
TRIPPING MATRIX
(LED+RELAYS)
1
1
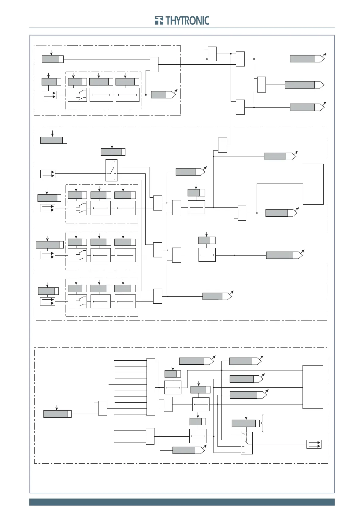
Phase overcurrent (50/51 Fundamental) - Logic diagram of the blocking signals concerning the second element (I>>)
&
Block2 output
(ONEnable)
I>>BLK2OUT
I>>
Pilot wire output
TRIPPING MATRIX
(LED+RELAYS)
ModeBLOUT1
A
B
C
D
BLOUT1
Block2 output
1
t
F-IPh
t
F-IPh/IE
t
F-IE
ST-Iph BLK2
ST-IE BLK2
T0
t
F-IPh/IE
T0
t
F-IPh
T0
t
F-IE
BLK2OUT-Iph
BLK2OUT-Iph/IE
BLK2OUT-IE
A = OFF
B = ON IPh
C = ON IPh/IE
D = ON IE
BLK2OUT-IPh-K
BLK2OUT-IPh-L
BLK2OUT-IPh/IE-K
BLK2OUT-IPh/IE-L
BLK2OUT-IE-K
BLK2OUT-IE-L
1
I
E
>> Block2 OUT
I
E
> Block2 OUT
I
E
>>> Block2 OUT
1
I>
RMS
Block2 OUT
I
N
> Block2 OUT
I
N
>> Block2 OUT
I>> Block2 OUT
I>>> Block2 OUT
DthAL1 Block2 OUT
DthAL2 Block2 OUT
Dth Block2 OUT
I
2
> Block2 OUT
I
2
>> Block2 OUT

Table of Contents

Related product manuals