EasyManua.ls Logo

Topcon 3D-MC2 - 3 D-MC² Dozer Schematic

Topcon 3D-MC2
128 pages
Print Icon
To Next Page IconTo Next Page
To Next Page IconTo Next Page
To Previous Page IconTo Previous Page
To Previous Page IconTo Previous Page
Loading...
3D-MC²
3D-MC² Quick Reference Guide
1-2
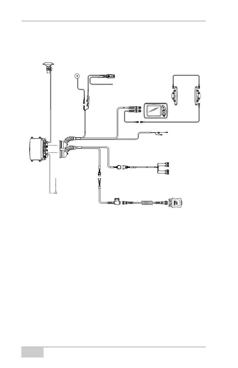
3D-MC² Dozer Schematic
SPEAKER
TO BACK-UP ALARM
+
CHASSIS GROUND
-
2
LEFT
LOWER
2
1
LEFT
RAISE
1
2
1
1
RIGHT
LOWER
RAISE
RIGHT
2
GX-60
OPTIONAL RELAY
FOR BACK-UP ALARM
VALVE CABLE
40-PIN
CONNECTOR
"A"
40-PIN
CONNECTOR
"B"
BREAKOUT "A"
CABLE HARNESS
BREAKOUT "B"
CABLE HARNESS
OPTIONAL
LIGHT BARS
TO UPPER CONNECTOR
TO LOWER
CONNECTOR
AUTO/MANUAL
SWITCH
GX-60
RADIO ANTENNA
MC2 SENSOR
MC2 CONNECTOR
SINGLE
GPS ANTENNA
MC-R3
CONTROLLER/
RECEIVER

Table of Contents

Other manuals for Topcon 3D-MC2