EasyManua.ls Logo

Toro 30413 - Schematics

Toro 30413
64 pages
Print Icon
To Next Page IconTo Next Page
To Next Page IconTo Next Page
To Previous Page IconTo Previous Page
To Previous Page IconTo Previous Page
Loading...
Schematics
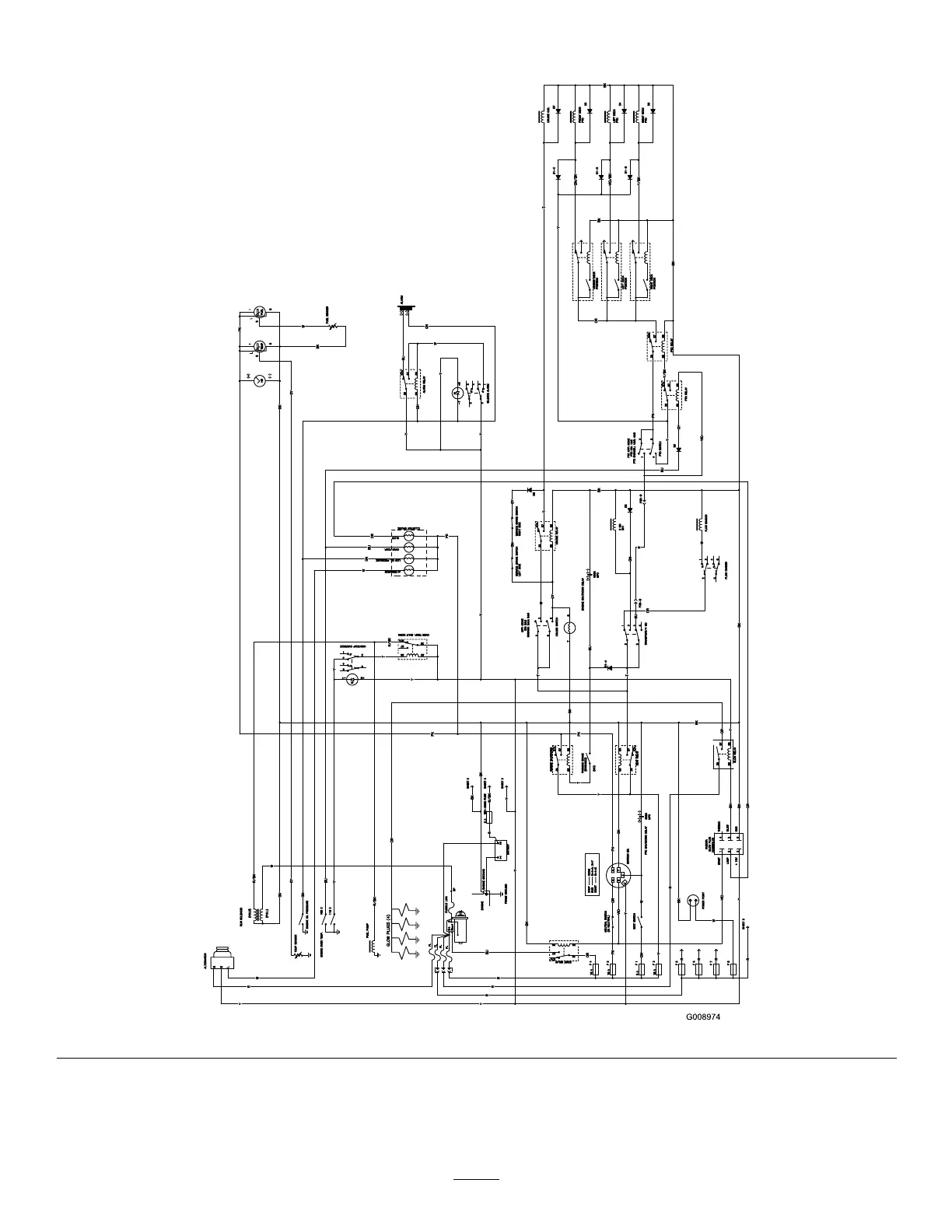
ElectricalSchematic,sheet1(Rev.B)
58

Table of Contents

Other manuals for Toro 30413

Related product manuals