EasyManua.ls Logo

Toro 30651 - Belt Maintenance; Tensioning the Alternator Belt

Toro 30651
56 pages
Print Icon
To Next Page IconTo Next Page
To Next Page IconTo Next Page
To Previous Page IconTo Previous Page
To Previous Page IconTo Previous Page
Loading...
9.Aftertowingthemower:Toreturnthemower
toitsnormalworkingconditionthefollowing
proceduremustbedone.
A.Chockthefrontwheels.
B.Closethebypassvalveonthetransmissionpump
byturningitclockwise.
10.Commissionthefrontwheelmotordiscbrakes
asfollows:
Note:EnsuretheM12x40setscrewsareremoved
andstoredunderneaththeoperatorplatform.
A.Identifytherighthandfrontwheelmotordisc
brakeassembly.
B.Rotatethesetscrewcounter-clockwiseand
removewithwasher.
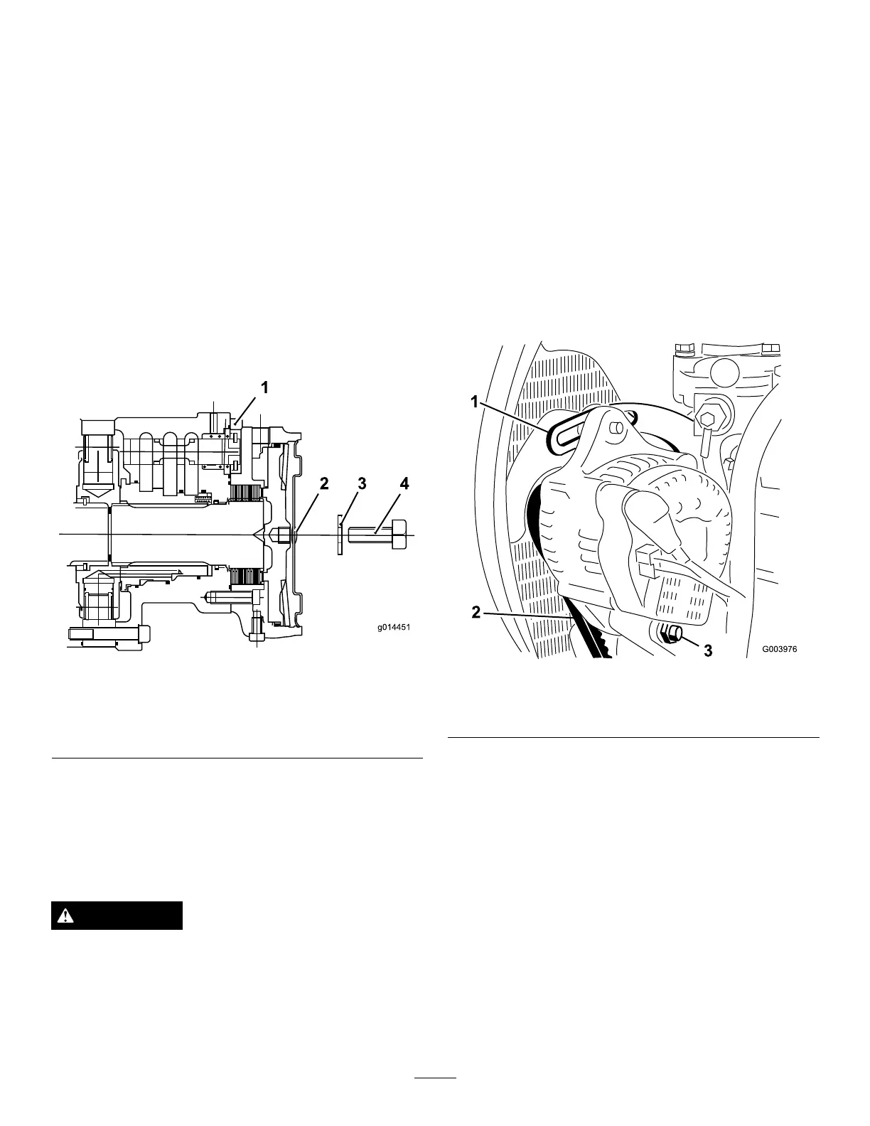
C.Assemblethehexplugintothemotorendplate
(
Figure48).
1
2 3 4
g014451
Figure48
1.Frontwheelmotor
111–2557
3.WasherM12–09485
2.Hexplug950639
4.SetscrewM12x40
XH1L040U
D.Identifythelefthandfrontwheelmotor
discbrakeassemblyandrepeattheprevious
procedure.
E.Removethewheelchocks.
F.Disconnectthetowbar.Themowerbraking
systemwillnowoperateinthenormalway.
WARNING
Beforeusingthemower,ensurethatthebraking
systemoperatescorrectly.Carryoutinitial
checkswiththemoweratslowspeed.Donot
operatethemowerwithadamagedbraking
system.Donotoperatethemowerwiththebrakes
de-commissioned.
BeltMaintenance
Checktheconditionandtensionofthealternatorbelt
aftertherstdayofoperationandevery100operating
hoursthereafter.
TensioningtheAlternatorBelt
ServiceInterval:Aftertherst8hours
Every100hours
1.Openthehood.
2.Checkthetensionofthealternatorbeltbydepressing
it(
Figure49)midwaybetweenthealternatorandthe
crankshaftpulleyswith22lb(10kg)offorce.
Figure49
1.Brace3.Pivotbolt
2.Alternatorbelt
Thebeltshoulddeect7/16inch(11mm).Ifthe
deectionisincorrect,proceedtostep3Ifcorrect,
continueoperation.
3.Loosentheboltsecuringthebracetotheengine
(Figure49),theboltsecuringthealternatortothe
braceandthepivotbolt.
4.Insertaprybarbetweenthealternatorandthe
engineandpryoutonthealternator.
5.Whenyouachievethepropertension,tighten
thealternator,braceandpivotboltstosecurethe
adjustment.
42

Table of Contents

Related product manuals