EasyManua.ls Logo

Toro 74096 - Hydraulic Schematic; Hydraulic System Diagram

Toro 74096
68 pages
Print Icon
To Next Page IconTo Next Page
To Next Page IconTo Next Page
To Previous Page IconTo Previous Page
To Previous Page IconTo Previous Page
Loading...
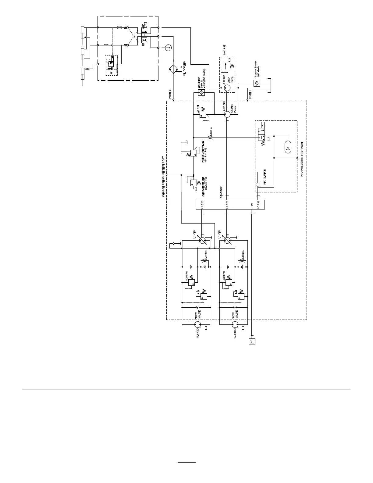
S1
X T P
0.020”
0.020”
C B A
WINGFOLD
CYLINDER
1.25” BORE X
0.75” ROD X
3.5” STROKE
LIFT
CYLINDER
3/4” x 6.9”
3.04 in disp.
3
.040
4000 PSI
0.031 in
17.8 CID
T
OW
VALVE
1.1 CID
GEARBOX
1.1
CI
D
PTO CLUTCH
PTO
PRE
SS
URE
TEST PO
R
T
4000 PSI
0.031 in
1
7.
8
CI
D
TOW
V
A
L
V
E
0.37 CID0.37 CID
PORT 1
Suc
t
ion
S
creen
100 Mesh
Charge
Pum
p
G
e
ar
Pump
3000 PSI
Line Filter
Beta 11
= 200(ISO 16889)
43 PSI
CHARGE RELIEF
86+/-15 PSI
CH
ARGE
PR
ESS
URE
T
E
ST
POR
T
PRESSURE VALVE
313+/-30 PSI
OIL COOLER
1:0.691
1
:1
1:1.025
1:1.025
PORT 2
0.031 in
YANMAR 3TNV88C 3000/1400 RPM
IMPLEMENT RELIEF
g239212
HydraulicSchematic(Rev.A)
66

Table of Contents

Other manuals for Toro 74096

Related product manuals