EasyManua.ls Logo

Toro 74279TE - Page 56

Toro 74279TE
71 pages
Print Icon
To Next Page IconTo Next Page
To Next Page IconTo Next Page
To Previous Page IconTo Previous Page
To Previous Page IconTo Previous Page
Loading...
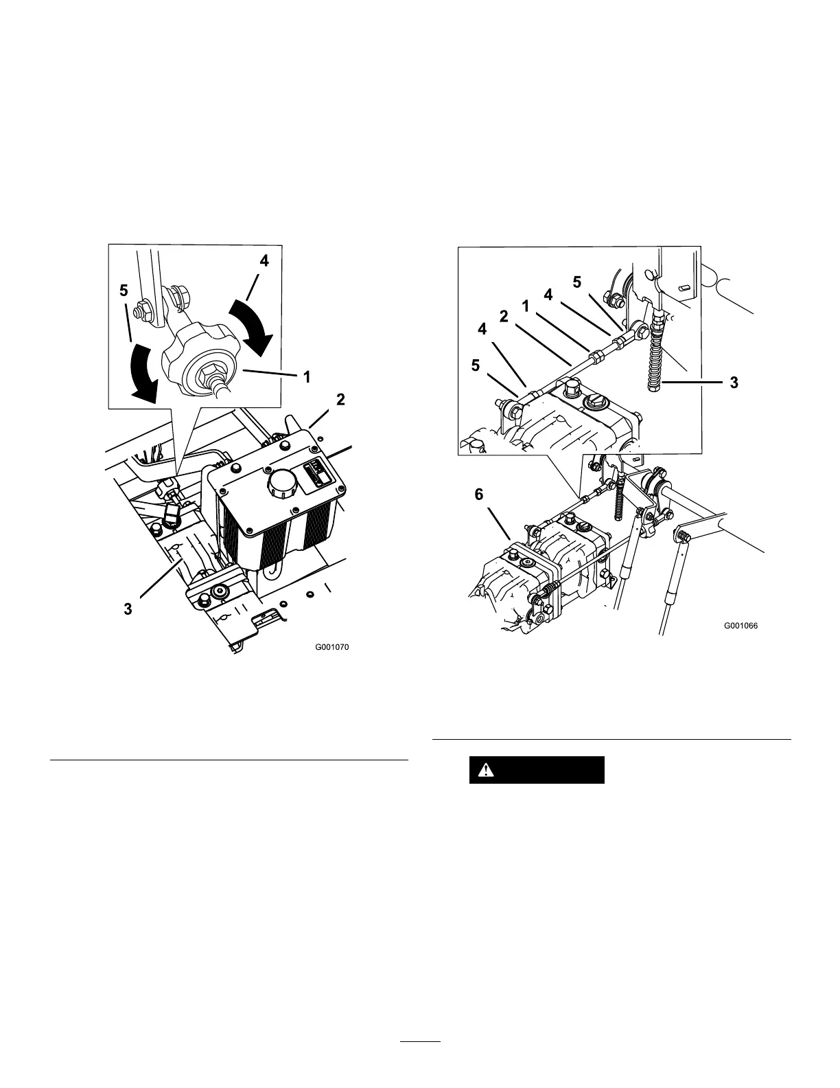
Note:Themotion-controllevermustbeinthe
NEUTRALpositionwhilemakinganyadjustments.
2.Adjustthepumprodlengthbyrotatingtheknob,
intheappropriatedirection,untilthewheelisstill
orslightlycreepinginreverse(Figure72).
3.Movethemotion-controlleverforwardand
reverse,thenbacktoneutral.Thewheelmust
stopturningorslightlycreepinreverse.
4.OpenthethrottletotheFASTposition.Make
surewheelremainsstoppedorslightlycreepsin
reverse,adjustifnecessary.
g001070
Figure72
1.Trackingknob4.Turnthiswaytotrackright
2.Hydraulictank
5.Turnthiswaytotrackleft
3.Hydraulicpumps
SettingtheLeftHydraulicPump
NeutralPosition
1.Loosenthelocknutsattheballjointsonthe
pumpcontrolrod(Figure73).
2.Starttheengine,openthrottle1/2way,and
releaseparkingbrake.RefertoStartingand
StoppingtheEngine(page20)
Note:Themotion-controllevermustbein
neutralwhilemakinganyadjustments.
Note:Thefrontnutonthepumprodhas
left-handthreads.
3.Adjustthepumprodlengthbyrotatingdouble
nutsonrod,intheappropriatedirection,until
wheelisstillorslightlycreepsinreverse(Figure
73).
4.Movethemotion-controlleverforwardand
reverse,thenbacktoneutral.Thewheelmust
stopturningorslightlycreepinreverse.
5.Openthethrottletofast.Makesurethewheel
remainsstoppedorslightlycreepsinreverse,
adjustifnecessary.
6.Tightenthelocknutsattheballjoints(Figure73).
g001066
Figure73
1.Doublenuts4.Locknut
2.Pumprod5.Balljoint
3.Adjustmentbolt6.Pumps
WARNING
Electricalsystemdoesnotperform
propersafetyshutoffwithjumperwire
installed.
Removejumperwirefromwire
harnessconnectorandplug
connectorintoseatswitchwhen
adjustmentiscompleted.
Neveroperatethisunitwithjumper
installedandseatswitchbypassed.
7.Afterbothpumpneutralsareset,shutoffthe
machine.
56

Table of Contents

Related product manuals