EasyManua.ls Logo

Totalcomp TWP Series - Circuit Diagram

Totalcomp TWP Series
34 pages
Print Icon
To Next Page IconTo Next Page
To Next Page IconTo Next Page
To Previous Page IconTo Previous Page
To Previous Page IconTo Previous Page
Loading...
TWP Weighing Indicator Service Manual
- 26 -
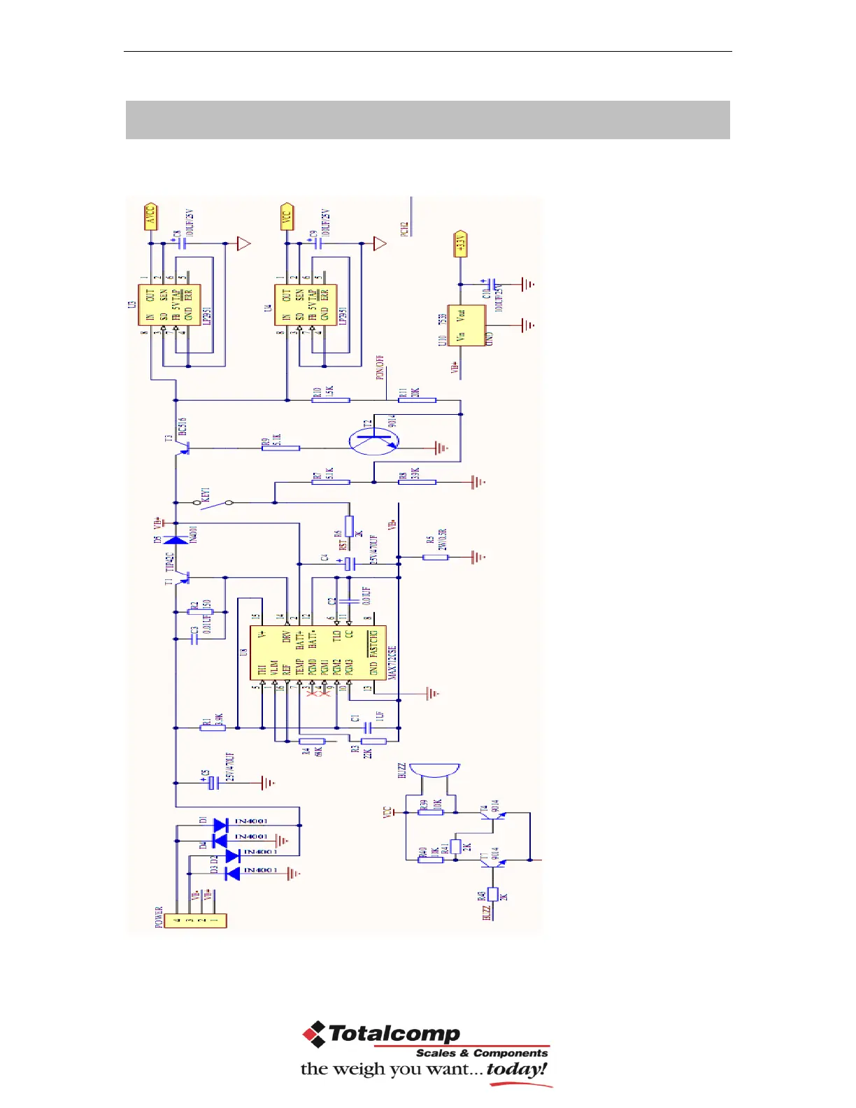
9. CIRCUIT DIAGRAM
Indicator Circuit Diagram