EasyManua.ls Logo

TR-Electronic CD-75 Series - Signalverlauf SIN;COS Schnittstelle

TR-Electronic CD-75 Series
Print Icon
To Next Page IconTo Next Page
To Next Page IconTo Next Page
To Previous Page IconTo Previous Page
To Previous Page IconTo Previous Page
Loading...
Printed in the Federal Republic of Germany TR-Electronic GmbH 2009, All Rights Reserved
12/13/2018 TR - ECE - BA - DGB - 0070 - 17 Page 41 of 108
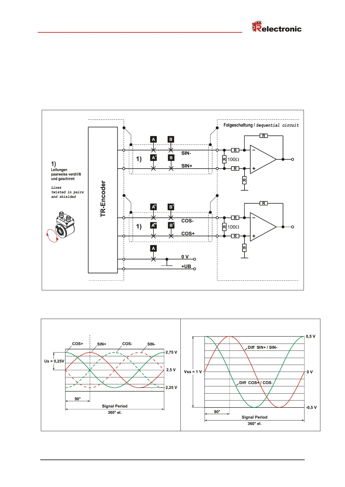
5.6.2 Signalverlauf SIN/COS Schnittstelle
Definitionen:
Vss = 1 V (0,8…1,2)
Referenzspannung: invertierte Signale zu SIN/COS
Anzahl der Perioden pro Umdrehung = 4096
Abbildung 12: Empfohlene Empfängerschaltung
Messung der Signale gegen 0 V, Messpunkte A:
Differenzmessung, Messpunkte B:
Abbildung 13: SIN/COS - Pegeldefinition

Table of Contents

Other manuals for TR-Electronic CD-75 Series

Related product manuals