EasyManua.ls Logo

TR-Electronic CD-75 Series - 6 SSI - Commissioning; Transmission Procedure

TR-Electronic CD-75 Series
Print Icon
To Next Page IconTo Next Page
To Next Page IconTo Next Page
To Previous Page IconTo Previous Page
To Previous Page IconTo Previous Page
Loading...
Printed in the Federal Republic of Germany TR-Electronic GmbH 2009, All Rights Reserved
12/13/2018 TR - ECE - BA - DGB - 0070 - 17 Page 97 of 108
6 SSI Commissioning
6.1 Transmission procedure
The SSI procedure is a synchronous serial transmission procedure for the measuring
system position. By using the RS422 interface for transmission, sufficiently high
transmission rates can be achieved.
The measuring system receives a clock sequence from the control and answers with
the current position value, which is transmitted serially and is synchronous to sent
clock.
Since the data transfer is synchronized by the start of the sequence, it is not
necessary to use single-step codes such as Gray code.
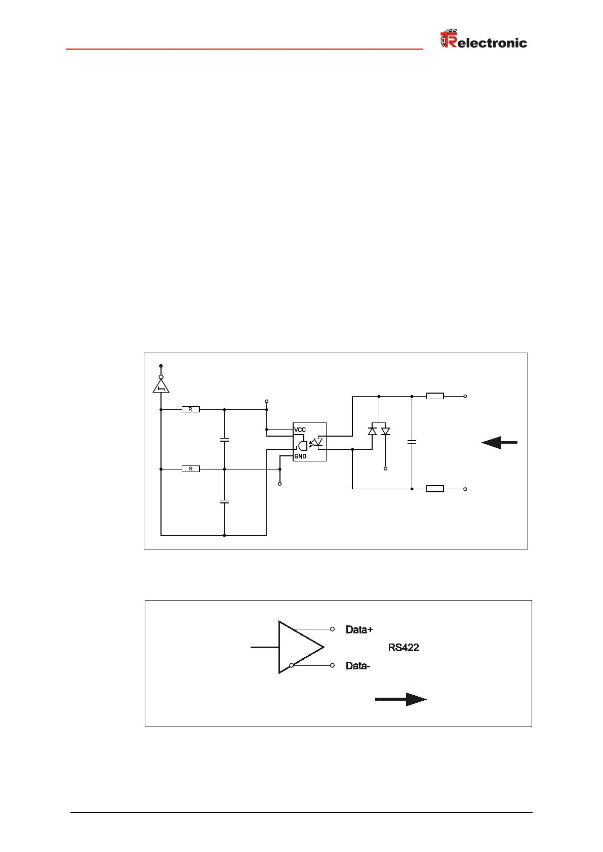
The data signals Data+ and Data are transmitted by means of cable transmitters
(RS422). The clock signals Clock+ and Clockare received by means of optocouplers
to protect them from damage resulting from interference, potential differences, or
polarity reversal.
SSI-Clock+
SSI-Clock-
65
65
2.2 nF
N.C.
GND
+5V
C
C
BAV99
Optocoupler
Figure 15: SSI Principle input circuit
Figure 16: SSI Output circuit

Table of Contents

Other manuals for TR-Electronic CD-75 Series

Related product manuals