EasyManua.ls Logo

TR-Electronic CD-75 Series - 6 SSI - Inbetriebnahme; Übertragungsverfahren

TR-Electronic CD-75 Series
Print Icon
To Next Page IconTo Next Page
To Next Page IconTo Next Page
To Previous Page IconTo Previous Page
To Previous Page IconTo Previous Page
Loading...
Printed in the Federal Republic of Germany TR-Electronic GmbH 2009, All Rights Reserved
12/13/2018 TR - ECE - BA - DGB - 0070 - 17 Page 43 of 108
6 SSI Inbetriebnahme
6.1 Übertragungsverfahren
Das SSI-Verfahren ist ein synchron-serielles Übertragungsverfahren für die Mess-
System-Position. Durch die Verwendung der RS422 Schnittstelle zur Übertragung
können ausreichend hohe Übertragungsraten erzielt werden.
Das Mess-System erhält vom Datenempfänger (Steuerung) ein Taktbüschel und
antwortet mit dem aktuellen Positionswert, der synchron zum gesendeten Takt seriell
übertragen wird.
Weil die Datenübernahme durch den Büschelanfang synchronisiert wird, ist es nicht
notwendig, einschrittige Codes wie z.B. Graycode zu verwenden.
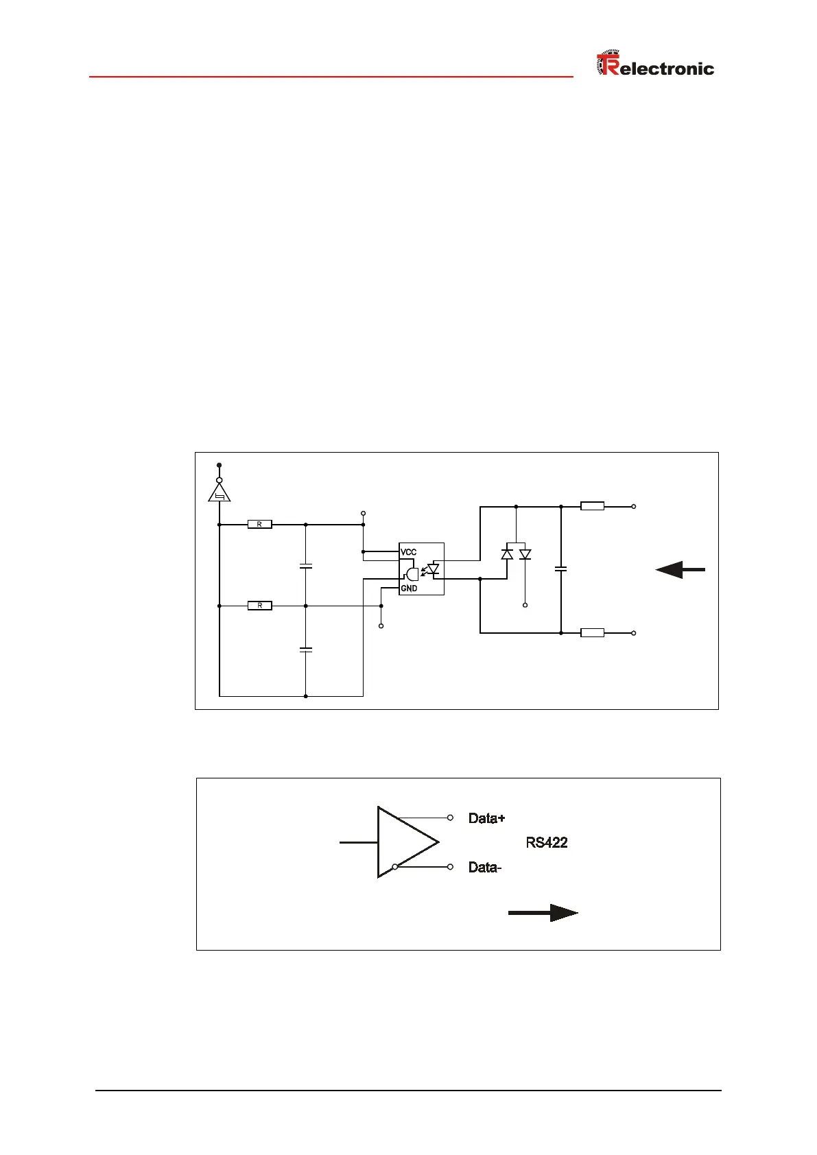
Die Datensignale Daten+ und Datenwerden mit Kabelsendern (RS422) gesendet.
Zum Schutz gegen Beschädigungen durch Störungen, Potentialdifferenzen oder
Verpolen werden die Taktsignale Takt+ und Takt- mit Optokopplern empfangen.
SSI-Clock+
SSI-Clock-
65
65
2.2 nF
N.C.
GND
+5V
C
C
BAV99
Opto-Koppler
Abbildung 15: SSI Prinzip-Eingangsschaltung
Abbildung 16: SSI-Ausgangsschaltung

Table of Contents

Other manuals for TR-Electronic CD-75 Series

Related product manuals