EasyManua.ls Logo

TR-Electronic Series 65 - Page 41

TR-Electronic Series 65
Print Icon
To Next Page IconTo Next Page
To Next Page IconTo Next Page
To Previous Page IconTo Previous Page
To Previous Page IconTo Previous Page
Loading...
Printed in the Federal Republic of Germany TR-Electronic GmbH 2005, All Rights Reserved
08/23/2016 TR - ECE - BA - DGB - 0046 - 06 Page 41 of 43
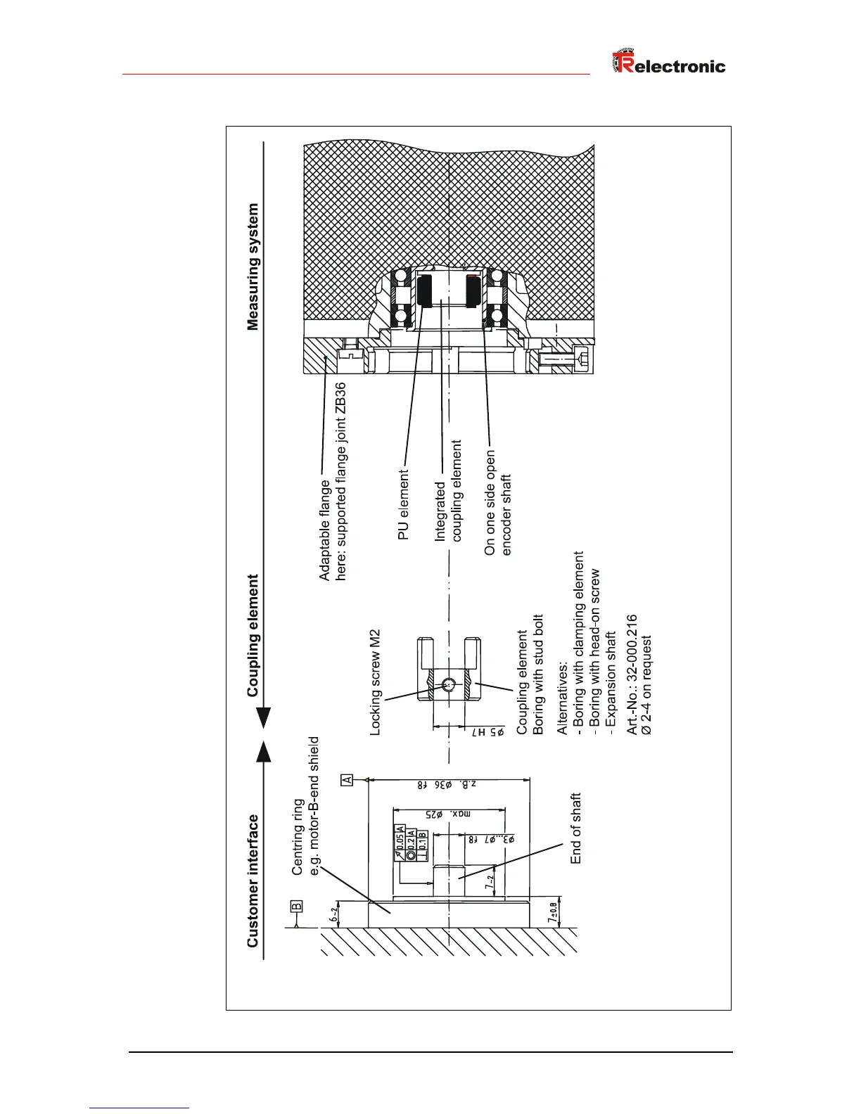
Mounting example

Table of Contents

Related product manuals