EasyManua.ls Logo

Trane 4TYK8536B1000AA - Refrigerant Cycle

Trane 4TYK8536B1000AA
68 pages
Print Icon
To Next Page IconTo Next Page
To Next Page IconTo Next Page
To Previous Page IconTo Previous Page
To Previous Page IconTo Previous Page
Loading...
22
SS-SVM001A-EM
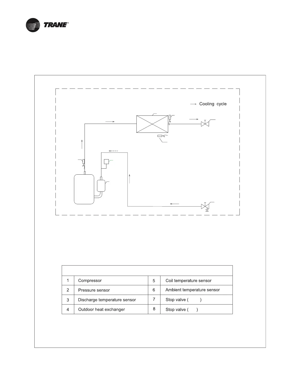
6. Refrigerant cycle
Outdoor unit
36K
List of components
Liquid
Gas
P
1
2
3
4
5
6
7
8

Related product manuals