EasyManua.ls Logo

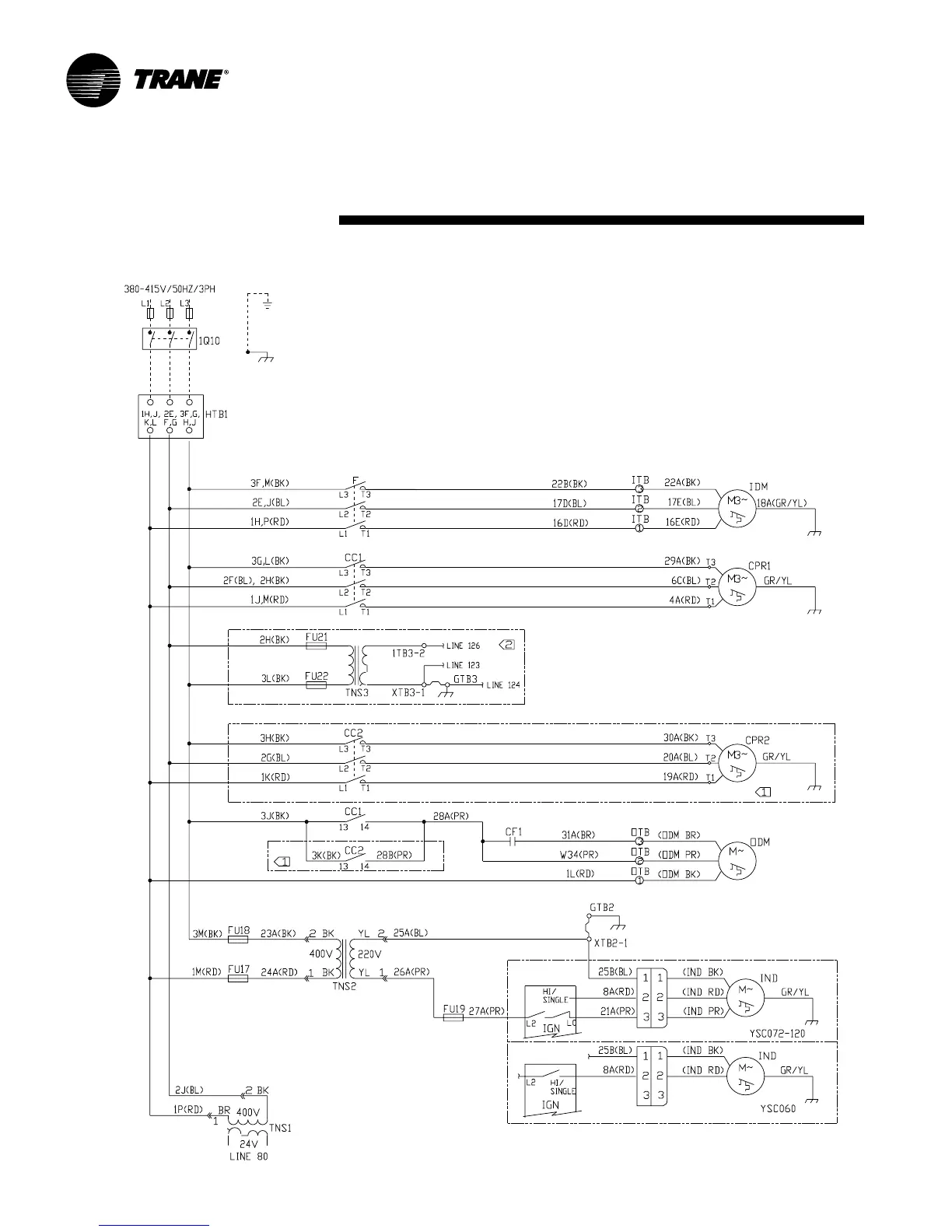
Trane YSC120 - Power Wiring Schematic

Trane YSC120
48 pages
Print Icon
To Next Page IconTo Next Page
To Next Page IconTo Next Page
To Previous Page IconTo Previous Page
To Previous Page IconTo Previous Page
Loading...
RT-SVX31A-EN44
Power Wiring Schematic

Table of Contents

Related product manuals