EasyManua.ls Logo

TSI Instruments 9310 - Page 84

TSI Instruments 9310
89 pages
Print Icon
To Next Page IconTo Next Page
To Next Page IconTo Next Page
To Previous Page IconTo Previous Page
To Previous Page IconTo Previous Page
Loading...
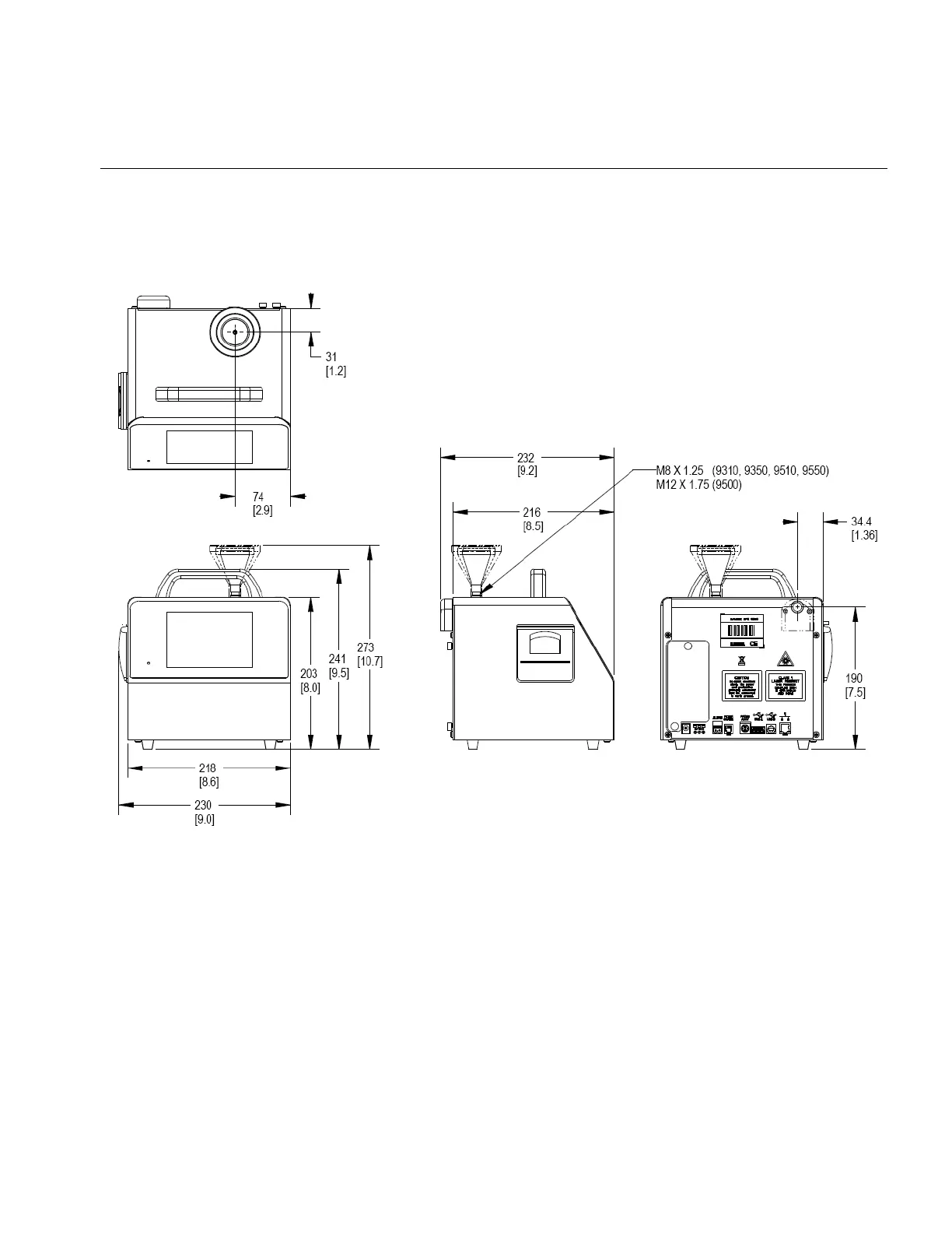
A-4 AEROTRAKPortable Airborne Particle Counter
Dimensional Diagram
Dimensions are given in millimeters with inch equivalents in
parenthesis.

Related product manuals