EasyManua.ls Logo

Tuthill KLRC40 - Sealant Recovery Systems; Once-Through Recovery

Tuthill KLRC40
50 pages
Print Icon
To Next Page IconTo Next Page
To Next Page IconTo Next Page
To Previous Page IconTo Previous Page
To Previous Page IconTo Previous Page
Loading...
7
03
Installation
Manual 4804 Rev C p/n 004804 0000
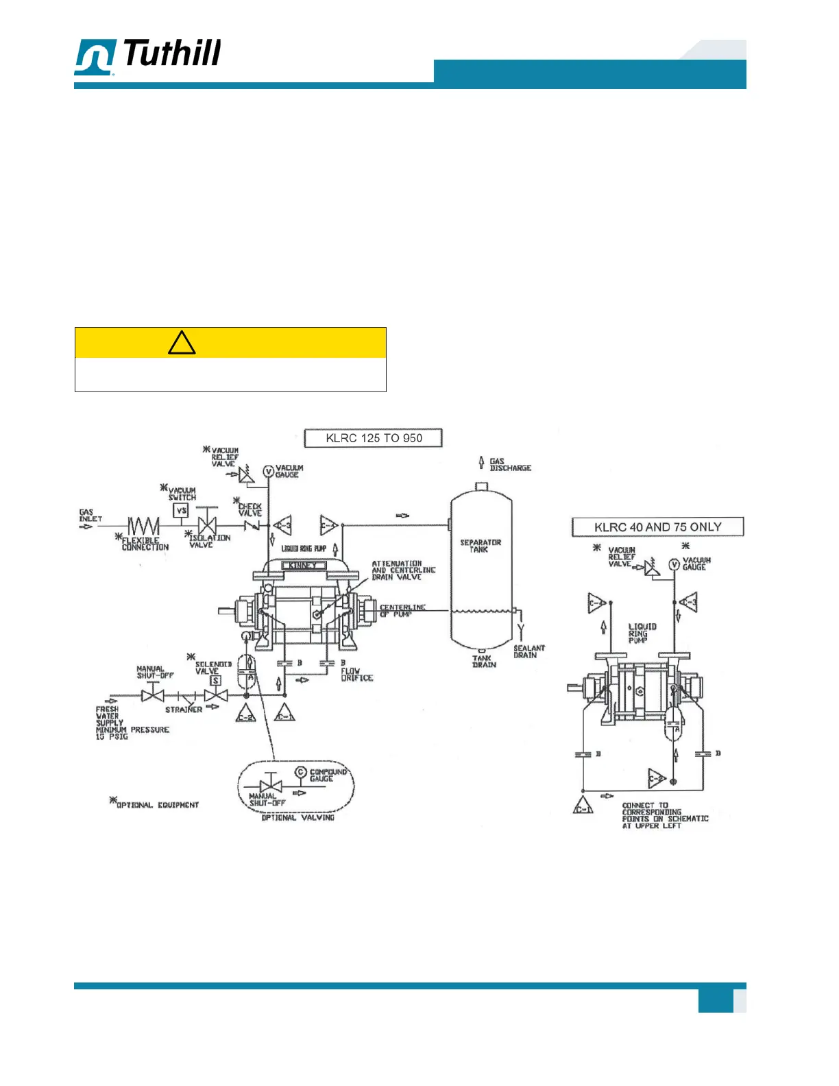
SEALANT RECOVERY SYSTEMS
Figure 3-1 on page 7 through Figure 3-4 on
page 10 illustrate sealant con¿ gurations:
• Once-Through (Figure 3-1)
Partial Recovery (Figure 3-2)
Full Recovery with Circulating Pump
(Figure 3-3)
Full Recovery without Circulating (Figure 3-4)
CAUTION
!
Do not run the pump dry.
ONCE-THROUGH RECOVERY
The once-through recovery system takes water
directly from the water supply through the
pump and discharges it directly through a gas/
liquid separator tank to an approved drain. This
arrangement is most common on small pumps,
in installations where water conservation is not a
factor, or where contamination of sealant is not a
factor. Optional valving arrangement is designed
to conserve sealant À ow and power, and when the
pump is operating at high pressure (low vacuum).
The optional system components are described on
page 12.
Figure 3-1 – Piping Schematic Once-Through Recovery System

Table of Contents

Related product manuals