EasyManua.ls Logo

Tuthill KLRC40 - Page 33

Tuthill KLRC40
50 pages
Print Icon
To Next Page IconTo Next Page
To Next Page IconTo Next Page
To Previous Page IconTo Previous Page
To Previous Page IconTo Previous Page
Loading...
27
08
Reassembly
Manual 4804 Rev C p/n 004804 0000
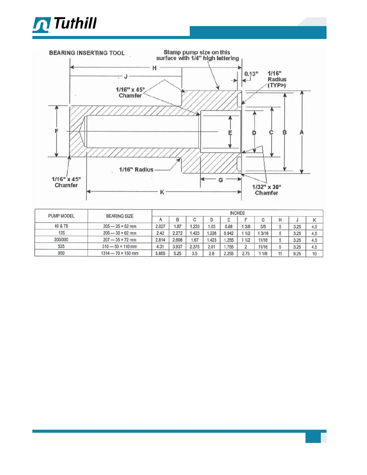
Figure 8-2 – Bearing Driver Tool

Table of Contents

Related product manuals