EasyManua.ls Logo

Tuthill T855 - Outline Drawings

Tuthill T855
36 pages
Print Icon
To Next Page IconTo Next Page
To Next Page IconTo Next Page
To Previous Page IconTo Previous Page
To Previous Page IconTo Previous Page
Loading...
Operators Manual 2023 Rev G p/n 2023
8
04
Installation
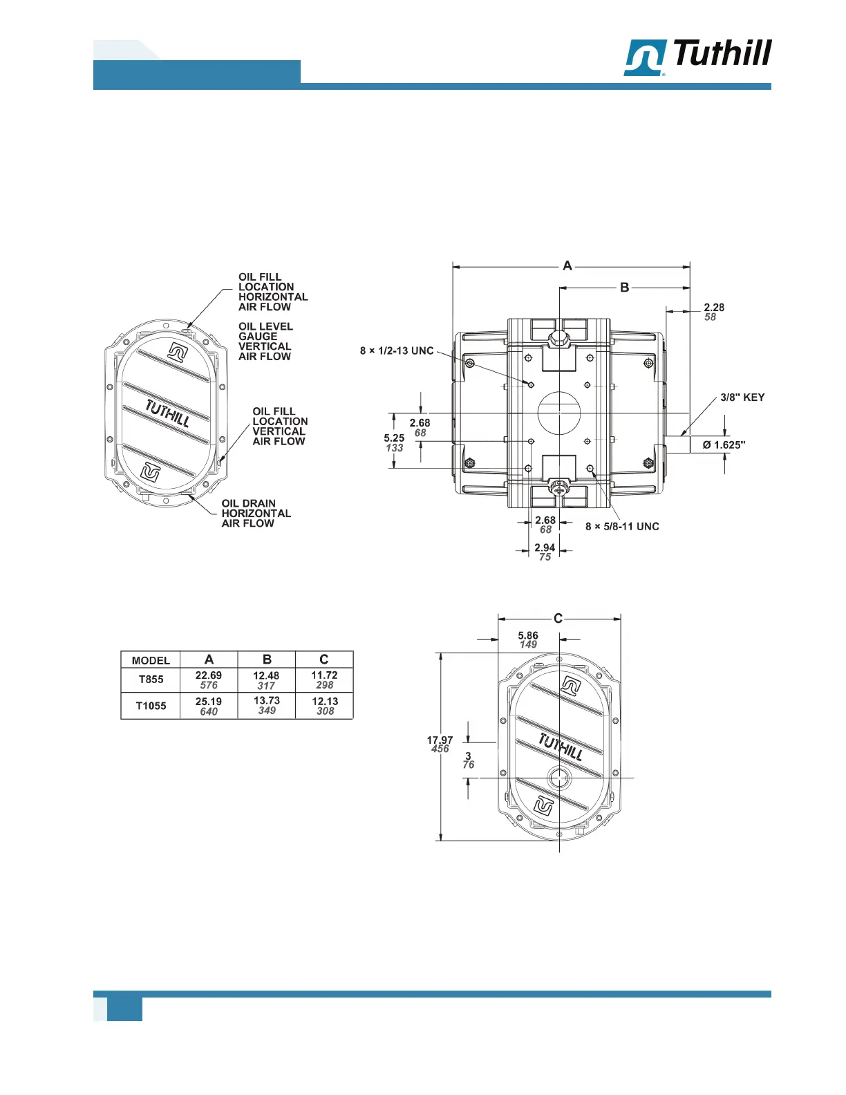
OUTLINE DRAWINGS
Dimensions shown are not on a controlled
document and as such are subject to change.
Certied drawings are available through your
local Tuthill Transport Blower Channel Partner.
Dimensions are shown in inches and millimeters.
Figure 4-1 – Outline Drawings
OTE: N T855RS dimension specication
match˛model T855.

Related product manuals