EasyManua.ls Logo

TYM T233 HST - Page 111

TYM T233 HST
232 pages
Print Icon
To Next Page IconTo Next Page
To Next Page IconTo Next Page
To Previous Page IconTo Previous Page
To Previous Page IconTo Previous Page
Loading...
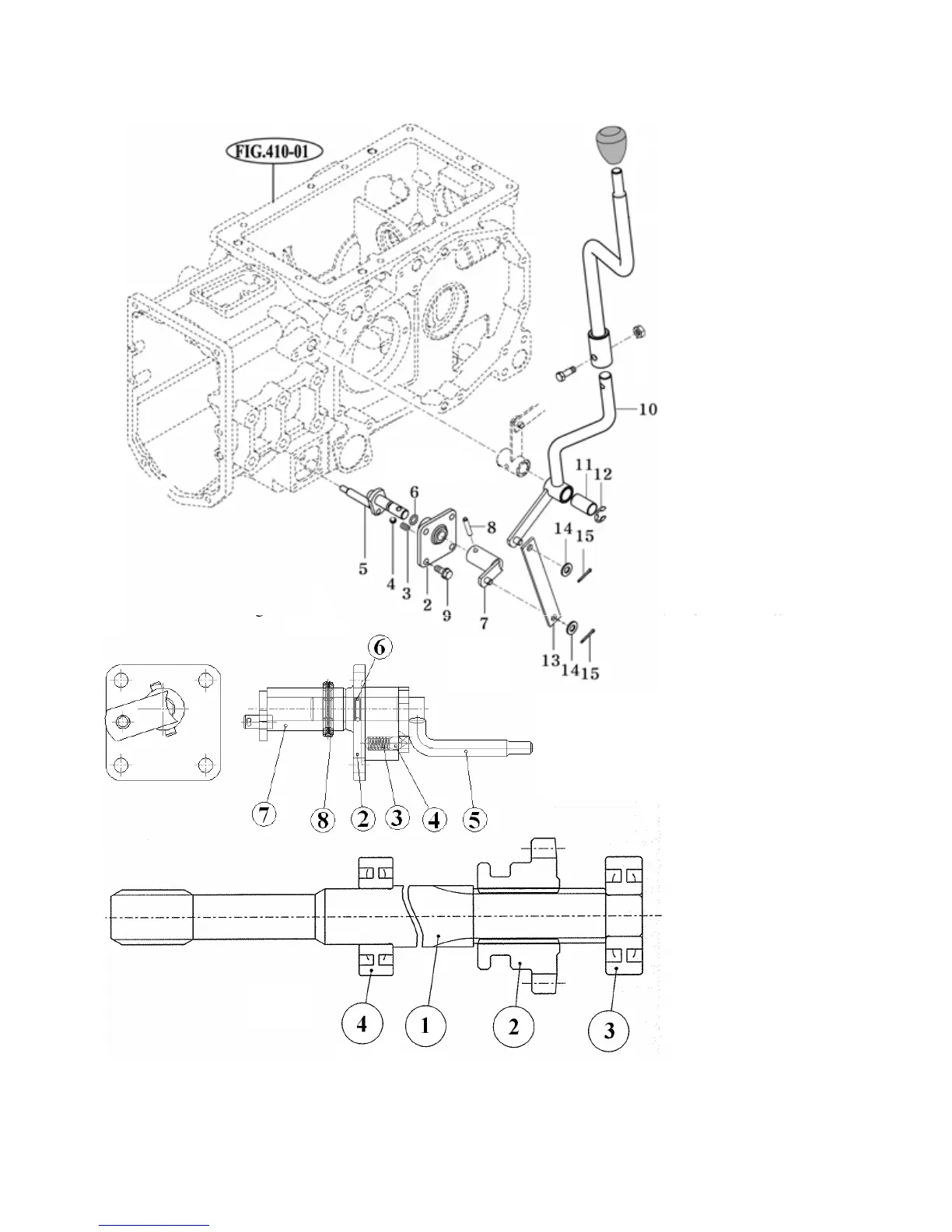
(3) Front drive change (4 WD shaft) mechanism
2. BOSS
3. SPRING , SHIFTER
4. BALL , STEEL
5. ARM COMP , 4WD
6. O-RING , P
7. ARM COMP
8. PIN , SPRING
9.
BOLT , HEX/S
Fig.5
-
40
9.
BOLT , HEX/S
10. LEVER COMP ,
4WD(LOW)
11. BUSH , 16X18X33
12. E-RING
13. LINK , 4WD
14. WASHER , PLAIN
15. PIN , SPLIT
Fig.5
-
40
Fig.5-41
1.Shaft,4WD drive
2.Gear,spur 16T
3.Bearing,ball(6302)
4. Bearing,ball(6004)
Note : The O-ring, hook comp and the inner of the pipe should be applied for grease
before being assembled.
5-26

Table of Contents

Related product manuals