EasyManua.ls Logo

TYM T233 HST - Page 187

TYM T233 HST
232 pages
Print Icon
To Next Page IconTo Next Page
To Next Page IconTo Next Page
To Previous Page IconTo Previous Page
To Previous Page IconTo Previous Page
Loading...
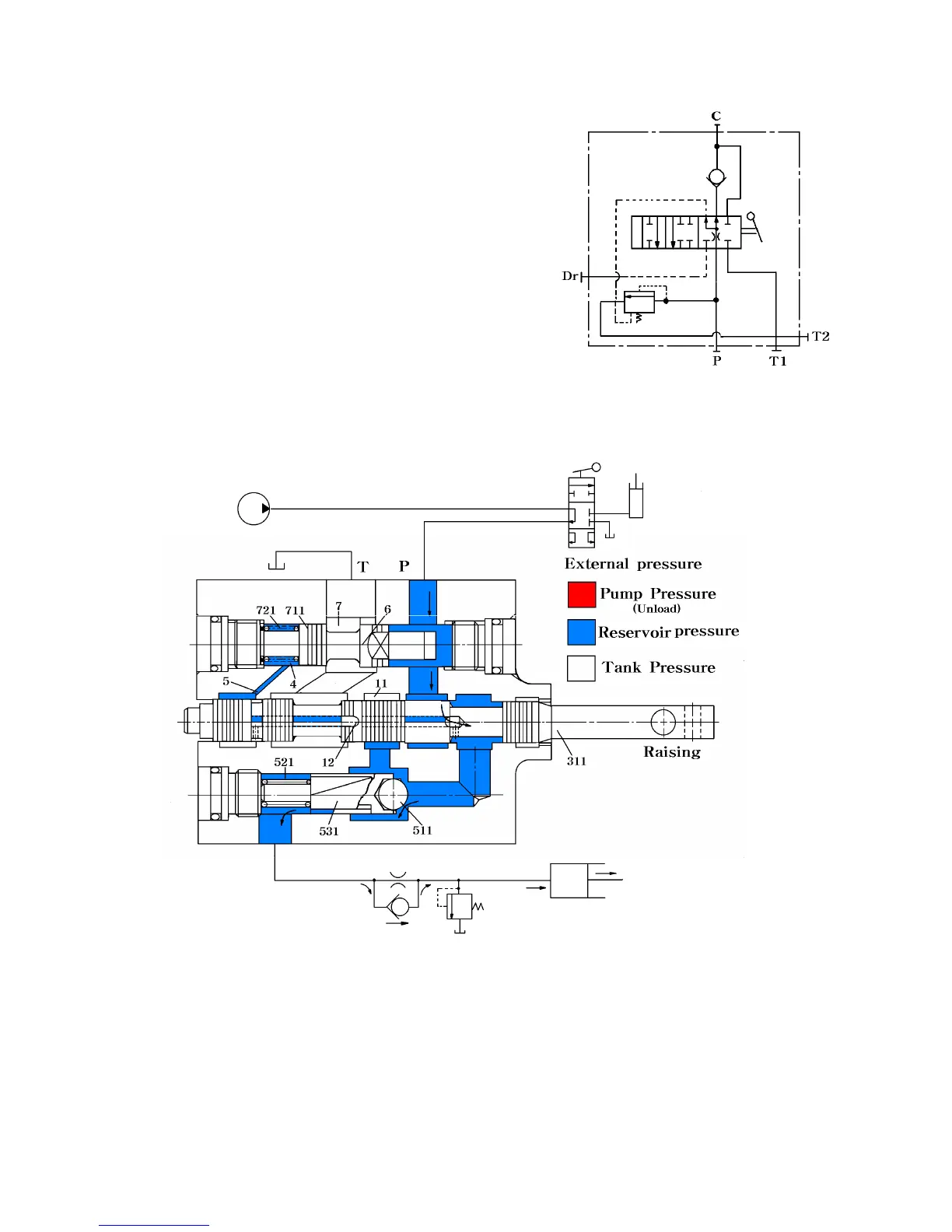
2) Lifting position
As main spool is moved to lifting position pump
pressure is increased and open the check
valve(511,531).The lift arm moved to lifting
position by flowing to cylinder and operate
piston.
Circuit diagram in the lifting position
9-26
Fig.9-45

Table of Contents

Related product manuals