EasyManua.ls Logo

TYM T353 - BLEEDING THE FUEL SYSTEM; CHANGING THE OILS IN THE TRACTOR

TYM T353
92 pages
Print Icon
To Next Page IconTo Next Page
To Next Page IconTo Next Page
To Previous Page IconTo Previous Page
To Previous Page IconTo Previous Page
Loading...
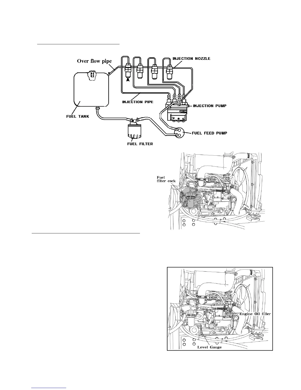
BLEEDING THE FUEL SYSTEM
1) Fuel filter cock ON
2) Open the cock on the fuel injection pump
3) Fill the tank with fuel and turn the ignition key to on.
4) Start the engine and allow it to run for a while
60
4) Start the engine and allow it to run for a while
5) Close the fuel injection pump cock.
6) The bleeding of the system is now finished.
CHANGING THE OILS IN THE TRACTOR
Always use quality oils as engine or transmission oil (refer to the page 58)
Refer to the table on page 55 and 56 for the change frequency.
Changing engine oil.
Park tractor on level surface, shut-off engine
Remove sump plug & drain oil.
Replace and check the sump plug and refill the engine with
oil to the correct level on the dipstick
(approx. 5 Liter)
The grade of oil to be used will depend on the ambient
temperature.
The tractor is shipped from the factory with 15W/40
For summer use over 77 use SAE 30
For temperatures from 32-77 use SAE20 or 10W/30
For temperatures below 32 use SAE 10W

Table of Contents

Other manuals for TYM T353

Related product manuals