EasyManua.ls Logo

TYM T353 - POWER TRAIN

TYM T353
92 pages
Print Icon
To Next Page IconTo Next Page
To Next Page IconTo Next Page
To Previous Page IconTo Previous Page
To Previous Page IconTo Previous Page
Loading...
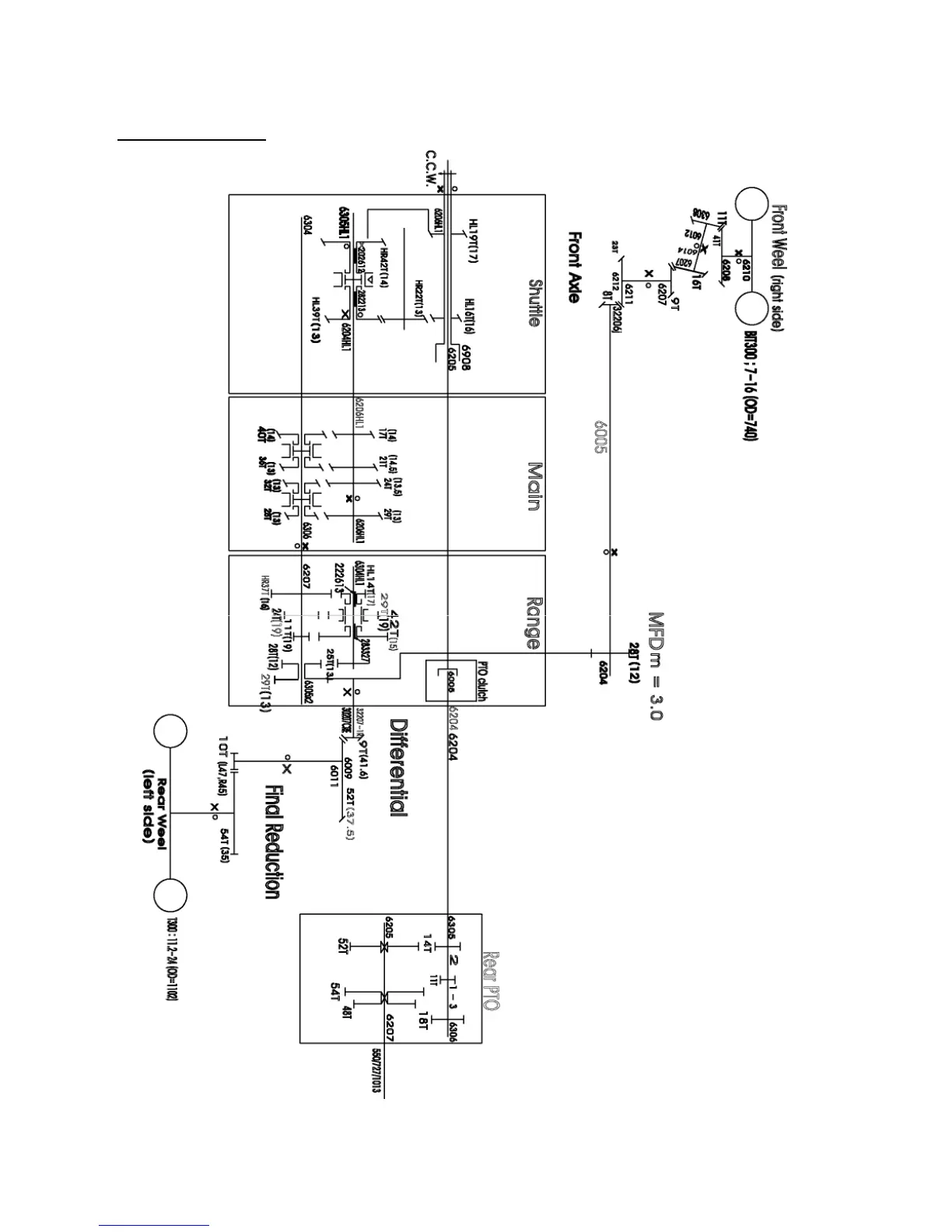
POWER TRAIN
85

Table of Contents

Other manuals for TYM T353

Related product manuals