EasyManua.ls Logo

Ublox ZED-F9P - 6.3 Reels; 6.4 Moisture Sensitivity Levels

Ublox ZED-F9P
64 pages
Print Icon
To Next Page IconTo Next Page
To Next Page IconTo Next Page
To Previous Page IconTo Previous Page
To Previous Page IconTo Previous Page
Loading...
ZED-F9P-Integration Manual
UBX-18010802 - R01
6 Product handling Page 57 of 64
Objective Specification - Confidential
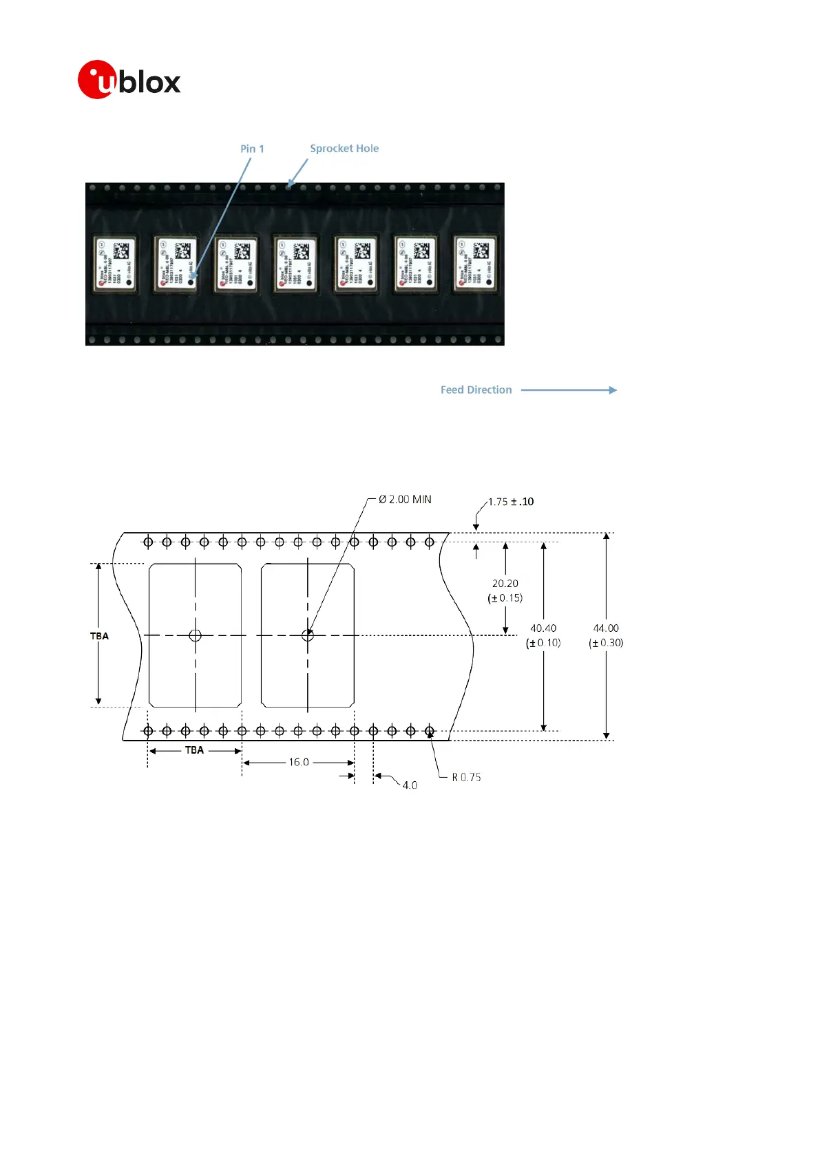
Figure 57: Orientation of ZED-F9P high precision receivers on the tape
The dimensions of the tapes for ZED-F9P high precision receivers are specified in Figure 58
(measurements in mm).
Figure 58: ZED-F9P tape dimensions (mm)
6.3 Reels
The ZED-F9P high precision receiver GNSS modules are deliverable in quantities of 250 pieces on a
reel. The ZED-F9P high precision receiver receivers are shipped on Reel Type B, as specified in the
u-blox Package Information Guide. Please see the u-blox Package Information Guide [3].
6.4 Moisture Sensitivity Levels
The Moisture Sensitivity Level (MSL) for ZED-F9P high precision receivers is specified in the table
below.

Table of Contents

Related product manuals