EasyManua.ls Logo

Unigas G400A - Electric Connections

Default Icon
217 pages
Print Icon
To Next Page IconTo Next Page
To Next Page IconTo Next Page
To Previous Page IconTo Previous Page
To Previous Page IconTo Previous Page
Loading...
17
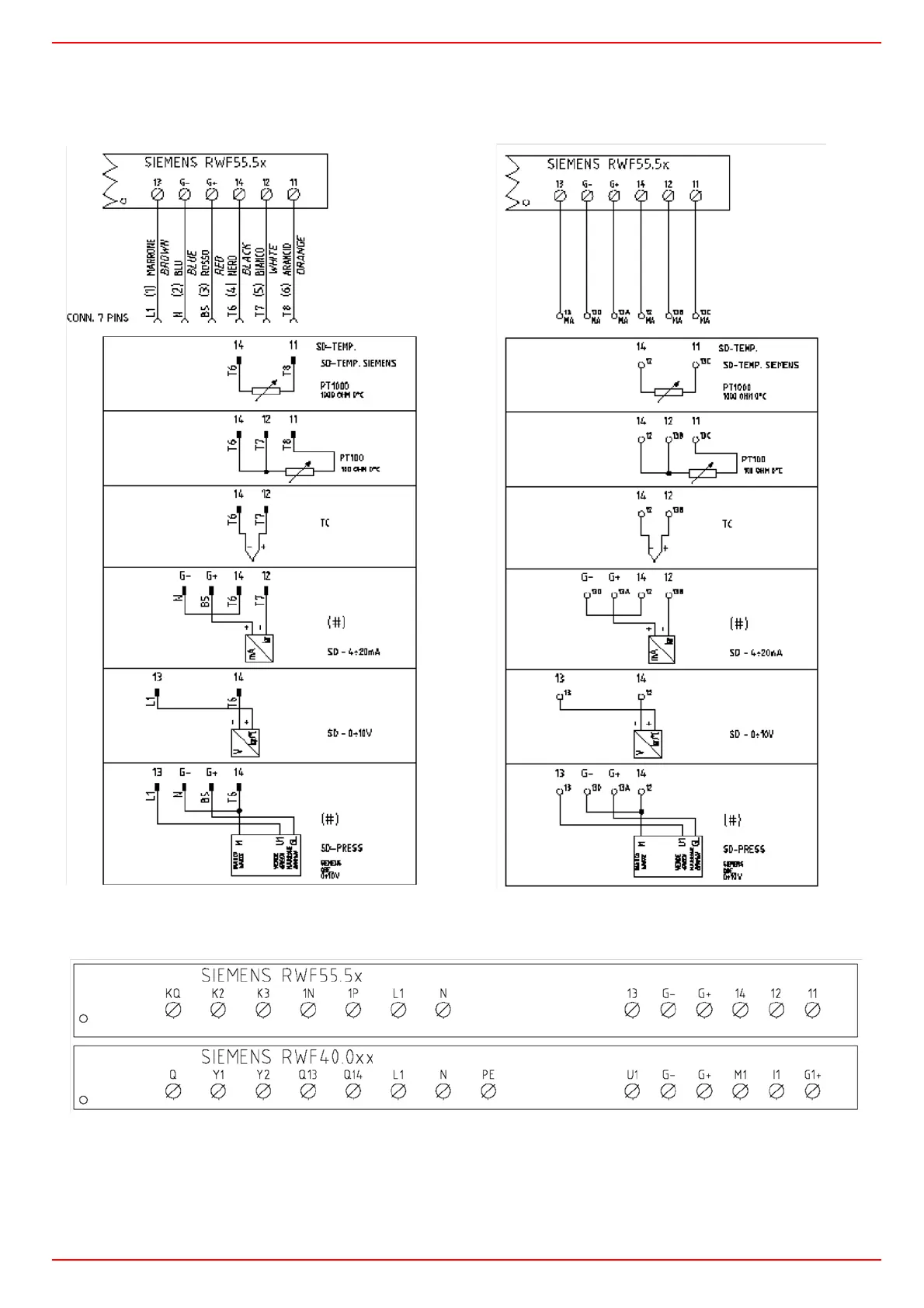
Electric connections :
With 7 pins connector version With terminals version
Corrispondences bornes entre RWF55.5x y RWF40.0x0Matches terminals betweenRWF55.5x and RWF40.0x0

Other manuals for Unigas G400A

Related product manuals