EasyManua.ls Logo

UTICA BOILERS PEG075EID - Wire Diagrams

UTICA BOILERS PEG075EID
32 pages
Print Icon
To Next Page IconTo Next Page
To Next Page IconTo Next Page
To Previous Page IconTo Previous Page
To Previous Page IconTo Previous Page
Loading...
25
WIRE DIAGRAMS
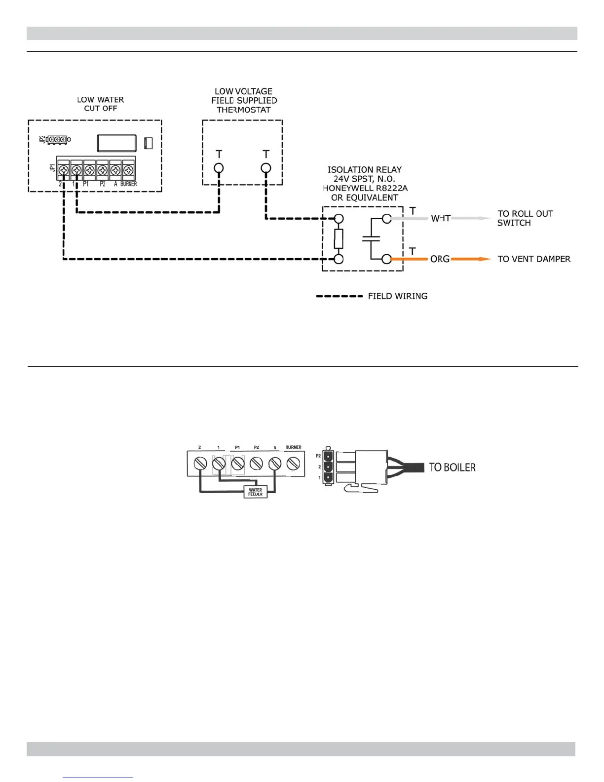
Figure 17 - Isolation Relay Wiring For Steam Boilers With Probe Type Low Water Cut Off And Using An
Electronic Thermostat - Optional
Figure 18 - Water Feeder Connection - Optional
Optional water feeder connection.
Connect feeder N to terminal 2.
Connect feeder H to terminal 1.
Connect "FEED" or "W" to terminal A.
For water feeders with 2 leads, connect feeder
common to terminal 2 and feeder hot to terminal A.
Note: Use of a solenoid valve or McDonnell & Miller
Model 101A water feeder may cause ooding and is not
recommended for use with this low water cut-off.

Related product manuals