EasyManua.ls Logo

UTICA BOILERS PEG075EID - Page 27

UTICA BOILERS PEG075EID
32 pages
Print Icon
To Next Page IconTo Next Page
To Next Page IconTo Next Page
To Previous Page IconTo Previous Page
To Previous Page IconTo Previous Page
Loading...
27
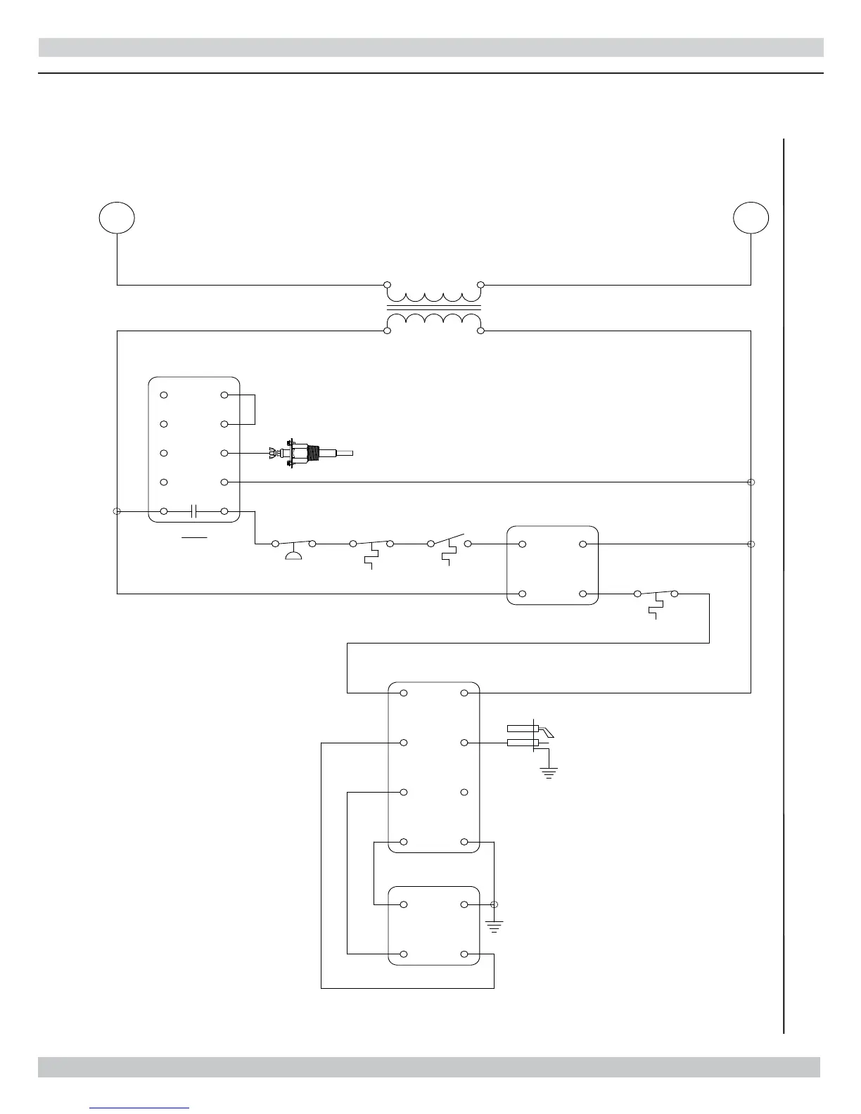
WIRE DIAGRAMS
(For full-sized Wire Diagrams, see Literature Envelope.)
Figure 20 - Ladder Diagram For Boilers With CG 400-2060 Probe Type Low Water Cut-Off
120V / 24V, 50VA
TRANSFORMER
L N
LOW WATER
CUT OFF
JP2-1
JP2-2
JP2-3
NOTE:
CONNECTOR POSITION 3 IS
LABELED 1 ON LWCO CIRCUIT
BOARD JP2 MOLEX CONNECTOR
PRESSURETROL
BLOCKED VENT
SWITCH
THERMOSTAT
ROLL OUT
SWITCH
1
3
VENT DAMPER
IGNITION MODULE
24V
24V
(GND)
PV
GND
(BURNER)
MV SPARK
SENSE
MV/PV
PROBE
JP1-
BURNER
JP1-P1JP1-A
JP1-1
JP1-2
2
4
MV/PV
MV
GAS VALVE
GNDPV
JP1-P2
SPARK
IGNITOR
LOW WATER
CUT OFF PROBE
RC
HIGH VOLTAGE CONNECTIONS PER NEC AND LOCAL CODES
NEC CLASS 2
LOW VOLTAGE
(R) T (W) T

Related product manuals