EasyManua.ls Logo

Vaillant VR32 - Page 47

Vaillant VR32
Print Icon
To Next Page IconTo Next Page
To Next Page IconTo Next Page
To Previous Page IconTo Previous Page
To Previous Page IconTo Previous Page
Loading...
9Installatiehandleiding VR 32 NL;BE
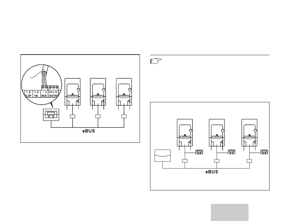
5 Elektrische installatie
5.1 Buskoppelaar aansluiten (cascade)
1
VR 32 VR 32 VR 32
Afb. 5.1 Buskoppelaar aansluiten (cascade)
Sluit de busleiding (1) in de busmodulaire
regelaar aan (klemmenaanduiding: BUS).
Alleen bij combinatie met vrnetDIALOG:
Sluit de buskoppelaar op de busleiding in de
vrnetDIALOG aan.
Aanwijzing!
De eBUS kan op een willekeurige plaats
van het systeem vertakt worden.
5.2 Buskoppelaar aanluiten
(1..16 installatie)
vrnetDIALOG
VR 32 VR 32 VR 32
Afb. 5.2 Buskoppelaar aansluiten (1..16 installatie)
Elektrische installatie 5

Table of Contents

Related product manuals