EasyManua.ls Logo

Vaillant VR32 - (En Cascade); Installation Électrique; Raccordement du Coupleur de Bus; Raccordement du Coupleur de Bus (Installation

Vaillant VR32
Print Icon
To Next Page IconTo Next Page
To Next Page IconTo Next Page
To Previous Page IconTo Previous Page
To Previous Page IconTo Previous Page
Loading...
9Notice d‘installation VR 32 FR;BE;CH
5 Installation électrique
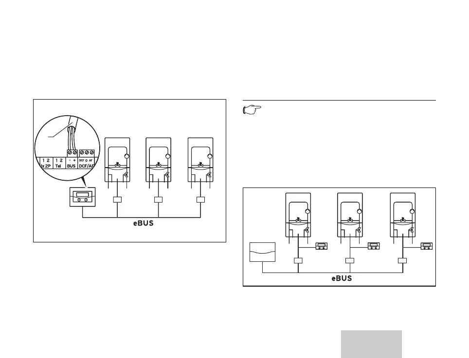
5.1 Raccordement du coupleur de bus
(en cascade)
1
VR 32 VR 32 VR 32
Fig. 5.1 Raccordement du coupleur de bus
(en cascade)
Raccordez le câble de bus (1) au régulateur
à bus modulaire (marquage sur la borne :
BUS).
En conjonction avec vrnetDIALOG unique-
ment :
Raccordez le coupleur de bus au câble de
bus dans vrnetDIALOG.
Remarque
La ramification de l‘eBUS peut être
effectuée à tout endroit du système.
5.2 Raccordement du coupleur de bus
(installation 1..16)
vrnetDIALOG
VR 32 VR 32 VR 32
Fig. 5.2 Raccordement du coupleur de bus
(installation 1..16)
Installation électrique 5

Table of Contents

Related product manuals