EasyManua.ls Logo

VEVOR LB175A - Circuit Diagram Overview; Electrical Schematic

VEVOR LB175A
24 pages
Print Icon
To Next Page IconTo Next Page
To Next Page IconTo Next Page
To Previous Page IconTo Previous Page
To Previous Page IconTo Previous Page
Loading...
Safety Tips
Number: JT190199990 Version Number: A1
Note: Subsequent versions of this specification are subject to change without prior notice. Thank you
19/23
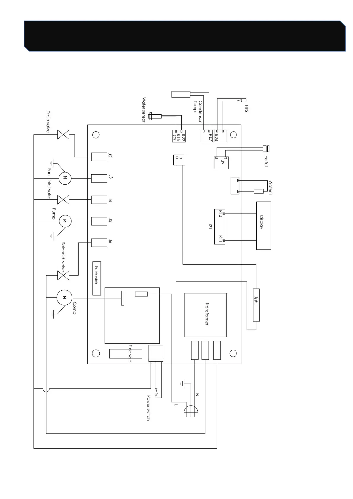
Circuit diagram
17. Circuit diagram

Related product manuals