EasyManua.ls Logo

Viadrus K4 - Page 35

Viadrus K4
56 pages
Print Icon
To Next Page IconTo Next Page
To Next Page IconTo Next Page
To Previous Page IconTo Previous Page
To Previous Page IconTo Previous Page
Loading...
Servicing
35
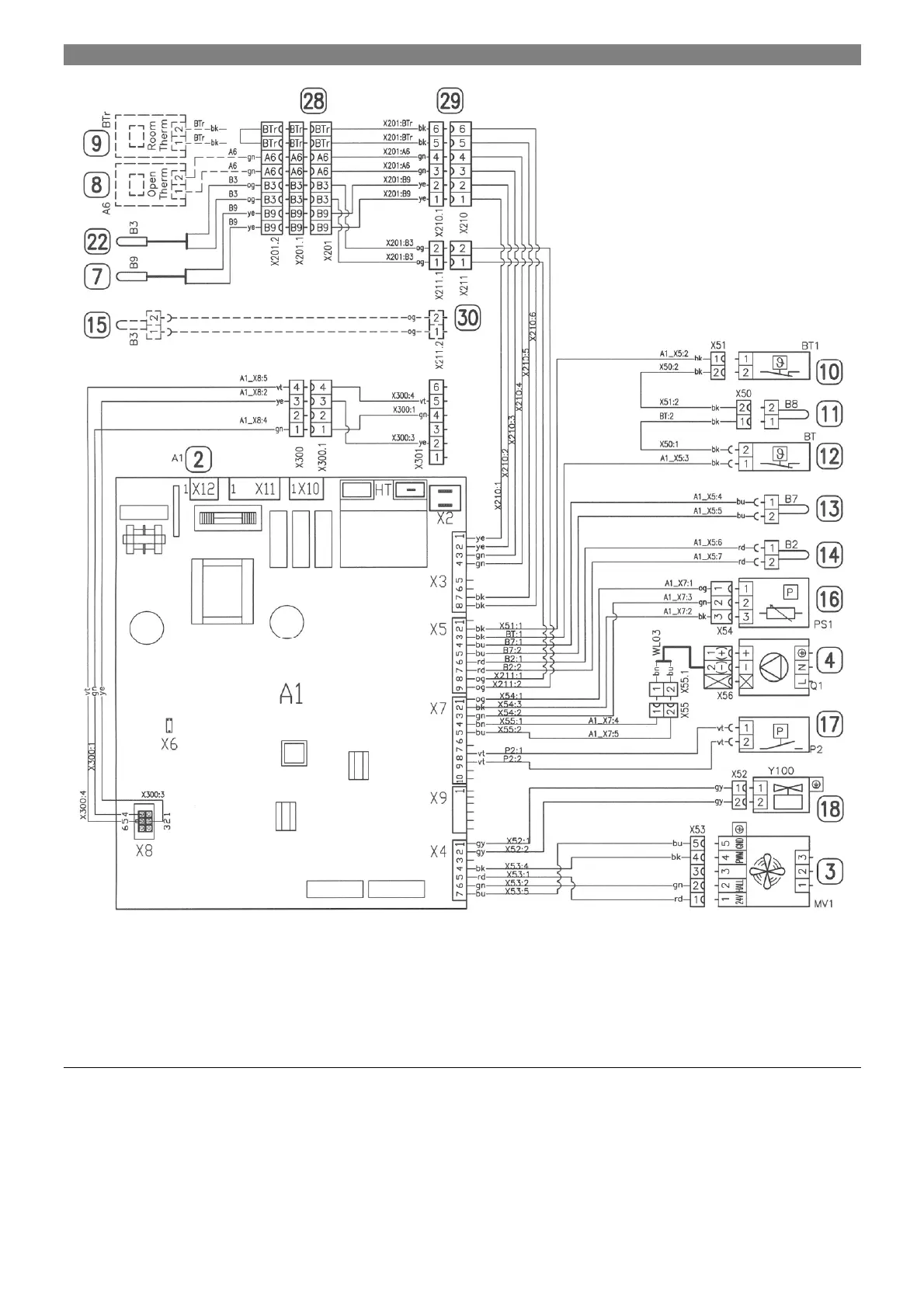
2 Panel with LCD screen
3 Fan
4 Pump
7 External sensor
8 Room instrument OPENTHERM
9 Room thermostat
10 Exchanger thermal fuse
11 Flue gas sensor
12 Safety thermostat
13 Return water sensor
14 Heating water sensor
15 DHW sensor
16 Water pressure sensor
17 Water flow sensor
18 Gas valve
22 Upper storage tank sensor
28 Connector for connecting the boiler - 8 poles
29 Internal bonding connector - 6 poles
30 Internal bonding connector - 2 poles
Fig. . 21 Boiler electrical equipment wiring diagram (extra-low voltage)
bk black
bu blue
bn brown
rd red
wh white
vt purple
og orange
ye yellow
gn green
gnye green-yellow

Table of Contents

Related product manuals