EasyManua.ls Logo

Viessmann B2HA 80 - Page 42

Viessmann B2HA 80
64 pages
Print Icon
To Next Page IconTo Next Page
To Next Page IconTo Next Page
To Previous Page IconTo Previous Page
To Previous Page IconTo Previous Page
Loading...
Vitodens 200-W B2HA 80 to 100, 285 to 352 Installation
5685 827 - 14
42
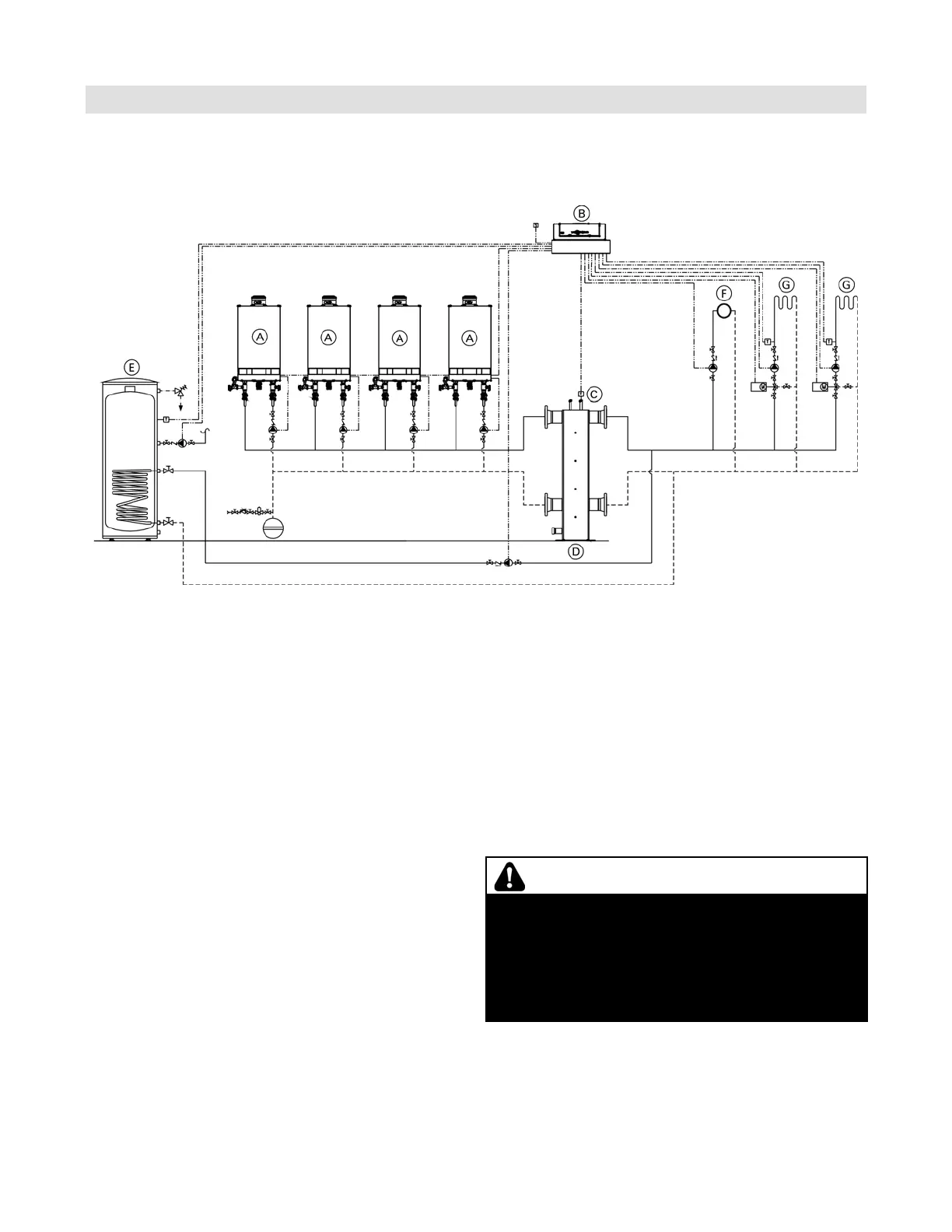
Boiler Connections
System Layout 10
Multiple (up to eight) Vitodens 200-W, models B2HA 80 to 100, 285 to 352 with...
- multiple heating circuits with mixing valves
- low-loss header
When designing a multiple Vitodens system as shown
above, please reference applicable multiple Vitodens
technical documentation, and contact your local Viessmann
Sales Representative for further assistance.
This installation example depicts a possible piping layout
for multiple Vitodens 200-W, B2HA boilers equipped with
Viessmann System Technology. Please note that this
example is based on a simplified conceptual drawing only!
Piping and necessary componentry must be field verified.
A low water cut-off (LWCO) must be installed where
required by local codes.
Proper installation and functionality in the field is the
responsibility of the heating contractor.
WARNING
If a DHW storage tank other than a Viessmann
Vitocell 100 or 300 tank is used, the installer must
verify proper operation of the Viessmann DHW tank
temperature sensor with the original manufacturer
of the tank. Viessmann strongly recommends the
installation of a temperature tempering valve in the
DHW supply line.
Legend
A Vitodens boiler
B Vitotronic 300K
C Low-loss header/common supply temperature sensor
D Low-loss header
E DHW storage tank
F High temperature heating circuit
G Low temperature heating circuit

Table of Contents

Related product manuals